Стены. Спецификация и ведомость перемычек — Студопедия
Фундаменты
Конструктивная часть
Фундаменты запроектированы сборные железобетонные ленточные. Глубина заложения фундамента … м.
Отметка подошвы — …м.
Ширина плит ленточного фундамента принята конструктивно:
— под несущие внутренние стены — .. .м
— под несущие наружные стены — .. .м
— под ненесущие внутренние стены — .. .м
— под ненесущие наружные стены — .. .м
Всего запроектировано … типоразмеров плит. Основанием для фундамента служит …(указать грунт). Плиты ленточных фундаментов укладывать на тщательно спланированную и утрамбованную поверхность основания. Монолитные участки выполнять из бетона класса С8/10. (Выполнить эскиз фундаментной плиты).
Фундаментные блоки запроектированы шириной …мм. Их укладывать на цементном растворе М50 с обязательной привязкой швов.
Горизонтальная гидроизоляция на отметке … выполняется из гидроизоляционного материала …. Вертикальная гидроизоляция выполняется из …. Для защиты здания от грунтовых вод по периметру выполняется бетонная отмостка шириной … мм, уклон …%.
В проектируемом здании внутренние стены выполнены из … кирпича с размерами …х…х.. .мм., сплошной кладки на растворе М50. Толщина внутренних стен 380мм. Во внутренних стенах, разделяющих санузлы и кухни предусмотрены вентиляционные каналы размерами 140×140 мм. Участки стен в местах прохода вентиляционных каналов армировать двумя продольными стержнями диаметром 5 S500 с приваркой поперечных с шагом 100мм, минуя отверстия вентиляционных каналов.
Если запроектированы приставные вентблоки, то необходимо их описать и выполнить эскиз.
Наружные стены толщиной … мм из … блоков с облицовкой с наружной стороны кирпичом. (Выполнить эскиз конструкции наружной стены).
Над проёмами в стенах укладываются сборные железобетонные перемычки по слою цементного раствора М50.
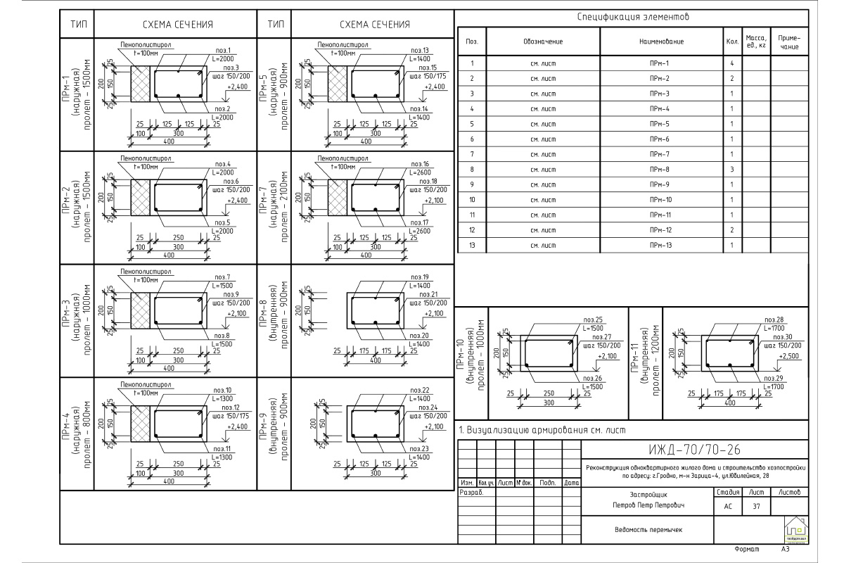
Таблица 6 – Ведомость перемычек ГОСТ 21.501-93
После выполнения ведомости перемычек составляется спецификация элементов перемычек:
Таблица 7 — Спецификация перемычек ГОСТ 21.501-93
Стены. Спецификация и ведомость перемычек — КиберПедия
В проектируемом здании внутренние стены выполнены из кирпича с размерами 250×120×65 мм, сплошной кладки на растворе М50. Толщина внутренних несущих стен 380 мм, внутренних межквартирных стен – 200 мм, перегородок-120мм,наружные стены – 710 мм.
Над проемами в стенах уложены сборные железобетонные перемычки. Перемычки уложены на кирпичные стены по слою цементного раствора М50.
Во внутренних стенах, разделяющих санузлы и кухни предусмотрены вентиляционные каналы, размерами 140×140 мм. Участки стен в местах прохода вентиляционных каналов армируются двумя продольными стержнями диаметром 5 мм S500 с приваркой поперечных стержней с шагом 100 мм, минуя отверстия вентиляционных каналов.
Наружные стены толщиной 710 мм выполняют из блоков с облицовкой с наружной и внутренней стороны кирпичом.
Таблица 1.1 – Ведомость перемычек ГОСТ 21.501-93 Таблица 1.1 – Ведомость перемычек ГОСТ 21.501-93 Таблица1-Ведомость перемычек
Таблица 2 — Спецификация элементов перемычек
| Пози-ция | Обозначение | Наименование | Кол. на этаж | Все- го | Масса ед., кг | Приме-чание, V,м3 | |
| 2-5 | |||||||
| Серия 1.038.1-1 | 2ПБ16-2-П | 0,026 | |||||
| Серия 1.038.1-1 | 3ПБ18-8-П | 0,048 | |||||
Серия 1. 038.1-1
| 2ПБ19-3-П | 0,033 | |||||
| Серия 1.038.1-1 | 3ПБ21-8-П | 0,055 | |||||
| Серия 1.038.1-1 | ЗПБ23-8-П | 0,065 | |||||
| Серия 1.038.1-1 | 3ПБ21-8-П | 0,055 | |||||
| Серия 1.038.1-1 | 2ПБЮ-1-П | 0,017 | |||||
| Серия 1.038.1-1 | 2ПБ13-1-П | 0,022 | |||||
Серия 1. 038.1-1
| 2ПБ13-1-П | 0,022 | |||||
| Серия 1.038.1-1 | 2ПБ13-1-П | 0,022 | |||||
| Серия 1.038.1-1 | ЗПБ16-37-П | 0,041 | |||||
| Серия 1.038.1-1 | 2ПБ13-1-П | 0,022 | |||||
| Серия 1.038.1-1 | 2ПБ17-2-П | 0,028 | |||||
| Серия 1.038.1-1 | ЗПБ21-8-П | - | 0,055 | ||||
Серия 1. 038.1-1
| 2ПБ16-2-П | - | 0,026 |
Перегородки
В здании запроектированы межкомнатные перегородки толщиной 100 мм из газосиликатных блоков, и межквартирные перегородок 250мм. В санузлах – из кирпича, толщиной 120 мм.
Перекрытие
В здании запроектированы сборные железобетонные перекрытия из многопустотных плит толщиной 220 мм. Укладка плит на стены производится по предварительно выровненному по уровню цементному раствору марки М50. При монтаже плит перекрытия следить за тем, чтобы опирание плит на стены было не менее величин указанных на схеме расположения плит. После устройства анкеров защитить их слоем цементно-песчаного раствора М100 толщиной 20 мм. Отверстия до 150 мм в пустотных плитах для пропуска сантехнических и электротехнических коммуникаций просверлить в пределах пустот, не затрагивая несущих рёбер плит.
Крыша
В здании запроектирована плоская крыша, присутствует чердачный этаж. Крыша без перепадов высот. Есть выход на крышу, осуществляется через слуховое окно из чердачного этажа.
На чердачный этаж есть вход с лестничной клетки.
Классическая плоская кровля имеет уклон 3% и состоит из следующих слоев: основание, пароизоляция, утеплитель и гидроизоляция и дополнительные защитные слоя.
Для отвода воды в проектируемом здании применяется организованный внутренний водоотвод.
Лестницы
В здании запроектированы лестницы основного назначения из сборных железобетонных маршей и площадок, расположенных в лестничных клетках, огражденных капитальными стенами. Для безопасности и удобства движения лестничные марши оборудованы ограждениями с поручнями. Высота ограждения составляет 900 мм. Стойки привариваются к закладным деталям. Ширина марша принимается 1200 мм.
Расчёт двухмаршевой лестницы
1.Высота марша
h = hэт./ 2=2800/2=1400мм. (1.13)
2. Количество подступенков
n = h/150 = 1400/150 = 10шт. (1.14)
3. Число проступей
n — 1 = 10 — 1 = 9шт. (1.15)
4. Длина горизонтальной проекции марша
Lм = 300·(n — 1) = 300·9 = 2700мм. (1.16)
Рассчитываем ширину площадок исходя из длины лестничной клетке
Lк =6700 — 190 – 190=6320мм. (1.17)
От длины Lк отнимаем горизонтальную проекцию лестничного марша Lм, то есть находим ширину 2-х лестничных площадок
Lк — Lм = 6320 — 2700 = 3620мм. (1.18)
По каталогу подбираем ширину площадок с1=1600 мм с2 = 9300 мм и устраиваем монолитный участок шириной 120 мм.
Полы. Экспликация полов
В зависимости от назначения применяются следующие типы полов:
Таблица 3 — Экспликация полов
| Номер помещения | Тип пола | Схема пола | Элементы пола и их толщина, мм | Площадь, м2 |
| Жилые комнаты и прихожие 1-го этажа | Дощатый | Доски пола 29 Лага 70×70 Цем.-песч. Стяжка 30 Утеплитель газосиликат-300 Ж/Б плита 220 | 1293,1 | |
| Санузел, ванная, 1– го этажа | Керамическая плитка | Керамическая плитка на Прослойки заполнение швов из ц.-п. р-ра-15 Стяжка из ц.-п. р-ра М50-30 Утеплитель газосиликат-300 Ж/б плита-220 | 123,7 | |
| Кухня 1– го этажа | Линолеум | Линолеум 50 Цементная стяжка 20 Гидроизоляция «Бикрост» Цементная стяжка 30 Утеплитель газосиликат 300 Ж/б плита 220 | 161,08 |
Окончание таблицы 3
Стены.
Спецификация и ведомость перемычек.
В проектируемом здании внутренние стены выполнены из кирпича с размерами 250 х 120 х65 мм., сплошной кладки на растворе М50. Толщина внутренних стен 380мм.
Над проёмами в стенах уложены сборные железобетонные перемычки. Перемычки укладывать на кирпичные стены по слою цементного раствора М50.
Во внутренних стенах разделяющих санузлы и кухни предусмотрены вентиляционные каналы размерами 140×140 мм. Участки стен в местах прохода вентиляционных каналов армируются двумя продольными стержнями диаметром 5 S 500 с приваркой поперечных стержней с шагом 100мм, минуя отверстия вентиляционных каналов.
Наружные стены толщиной 660мм из блоков с облицовкой с наружной стороныкирпичом.
Таблица 2 Ведомость перемычек ГОСТ 21.501-93
Таблица №3 Спецификация элементов перемычек ГОСТ 21.501-9
| Поз. | Обозначение | Наименование | Количество на этаж | Масса ед. , кг
| Примечание V м3 | ||||
| Всего | |||||||||
| 1.038.1-1 | ЗПБ23-8-П | 0,162 | 0,065 | ||||||
| 1.038.1-1 | 2ПБ22-3-П | 0,092 | 0,037 | ||||||
| 1.038.1-1 | ЗПБ21-8-П | 0,137 | 0,033 | ||||||
| 1.038.1-1 | 2ПБ19-3-П | 0,081 | 0,031 |
Перекрытие
В здании запроектированы сборные железобетонные перекрытия из многопустотных плит толщиной 220мм.
Укладка плит на стены производится по предварительно выровненному по уровню цементному раствору марки М50.При монтаже плит перекрытия следить за тем, чтобы опирание плит на стены было не менее величин указанных на схеме расположения плит. После устройства анкеров защитить их слоем цементно-песчаного раствора M100 толщиной 20мм. Отверстие до 150мм в пустотных плитах для пропуска сантехнических и электротехнических коммуникаций просверлить в пределах пустот, не затрагивая несущих ребер плит.
Лестницы
В здании запроектированы лестницы основного назначения из сборных железобетонных маршей и площадок, расположенных в лестничных клетках, огражденных капитальными стенами. Для безопасности и удобства движения лестничные марши оборудованы ограждениями с поручнями. Высота ограждения составляет 900мм. Стойки привариваются к закладным деталям. Ширина марша принимается 1,2 м. Между маршами обеспечивается зазор 100 мм, для свободного пропуска пожарного шланга.
Ширина лестничной площадки 1300 мм. Лестничные марши и площадки подобраны по каталогу на основании расчёта. Высота этажа 3 м.
Перегородки
В здании запроектированы межкомнатные перегородки толщиной 100мм из газосиликатных блоков, и 380мм межквартирные капитальные стены. В санузлах —
из кирпича, толщиной 65мм.
Крыша(покрытие)
В здании запроектирована скатная крыша из металлочерепицы, которая крепится к брускам обрешётки саморезами. Кровля скатная, угол наклона кровли 20°. Отвод воды происходит самопадом, так как этажность здания небольшая. На чердаке по плите перекрытия укладывается пароизоляция, по пароизоляции укладывается утеплитель.
Состав кровли приведён в графической части.
Полы. Экспликация полов
В жилых комнатах, кухнях и внутриквартирных коридорах применен линолеумный вид пола. В санузлах, ванных комнатах применяются плиточные полы.
В зависимости от назначения применяются следующие типы полов:
Таблица 4 Экспликация полов ГОСТ 21.501-93
Окна и двери
Окна запроектированы из дерева с тройным остеклением и с стеклопакетами. Дверные блоки приняты однопольные и двупольные с глухим полотном. Устраивается слив из оцинкованной стали. Всего запроектировано 2 типа окон.
Оконные и дверные коробки крепятся к стенам с помощью распорных дюбелей. Зазор между коробкой и стеной тщательно заполняется монтажной пеной. Коробку антисептируют и обкладывают по периметру слоем гидроизоляционного материала. Внутренние и наружные откосы штукатурятся.
Запроектировано 2типа дверей.
По периметру дверной коробки устраивается пенополиуретановая уплотняющая прокладка. Внутренние двери в комнаты и кухню имеют обязательное полотно с остеклением, дверные коробки без порогов. Навеска на две петли. Балконные двери имеют раздельно спаренный переплет.
Запроектировано 5типов дверей.
Таблица № 5 Спецификация элементов заполнения проемов
Программа расстановки перемычек
Capiton
размещено: 14 Сентября 2009обновлено: 19 Октября 2009 Программа автоматической расстановки и учета перемычек. Раскладывает только брусковые перемычки по серии.Удобна при составлении кладочных планов для зданий с небольшим числом этажей.
Возможности:
Простановка на чертеже обозначений перемычек с автоматическим определением текущего номера перемычки.
Возможность удаления перемычек
поконструкционная разбивка позиций
Создание поэтажной ведомости перемычек и спецификации перемычек
Сохранение — загрузка всех текущих данных программы
Мультиплатформенность программы(AutoCAD 2000-2010(rus, eng и проч.
), BricsCAD 9.3, ZWCAD 2009)Порядок и особености работы смотрите в файле Помощь.pdf
Для загрузки панели инструментов в AutoCAD 2000-2005 и ZWCAD используйте файл .mnu
Текущая версия программы не до конца оттестирована.
Названия этажей следует вводить без пробелов(Первый_этаж)
Буду признателен за отзывы и любые конструктивные замечания и предложения.
Обновление от 17.10.2009
— добавлена возможность учета уголка или перемычки для облицовочного слоя.
— теперь перемычки можно копировать и удалять обычными средствами AutoCAD (в специцикации и ведомости изменения учитываются)Для удаления типа перемычки следует использовать средства приложения.
— добавлена возможность работы с прогонами прямоугольного сечения по серии
— заработала кнопка «Выбрать все»
— исправлены некоторые мелкие ошибки в коде.
Файл справки не исправлял, но разобраться не сложно.
Спецификация перемычек таблица. Стены.
Спецификация и ведомость перемычек.Поиск по сайту TehTab. Техническая информация Раздел. Алфавиты, номиналы, коды Будущим инженерам Инженерные приемы и понятия Математический справочник Материалы — свойства, обозначения Справочник Оборудование — стандарты, размеры Перевод единиц измерения Свойства рабочих сред Справочник инженера Таблицы численных значений Технологические понятия и чертежи Физический справочник Химический справочник. Дополнительная информация от TehTab.
Физические, механические и теплотехнические свойства. Нашли ошибку? Есть дополнения? Напишите нам об этом, указав ссылку на страницу. Навигация по справочнику TehTab.
ГОСТ 948-2016. Перемычки железобетонные для зданий с кирпичными стенами. Технические условия
Сосновый, Аредаков, Баруздин.
Пояснительная записка Схемы типов перемычек. Таблица 1. Перемычки брусковые для стен из кирпича толщиной 65мм. Таблица 2. Выпуск 2. Перемычки плитные для стен из кирпича толщиной Таблица 3. Выпуск 3.
В проектируемом здании внутренние стены выполнены из Толщина внутренних стен мм.
Перемычки балочные с четвертью. Таблица 4.
2 Нормативные ссылки
Выпуск 4. Перемычки брусковые для стен из кирпича толщиной 88мм. Таблица 5. Выпуск 5. Перемычки плитные для стен из кирпича толщиной 88мм. Таблица 6. Выпуск 6. Перемычки фасадные для стен из кирпича толщиной 65мм.
Таблица 7. При испытании перемычек неразрушающими методами фактическую передаточную и отпускную прочность бетона на сжатие следует определять ультразвуковым методом по ГОСТ или приборами механического действия по ГОСТ , а также другими методами, предусмотренными стандартами на методы испытания бетона.
1 Область применения
Морозостойкость бетона следует определять по ГОСТ на серии образцов, изготовленных из бетонной смеси рабочего состава. Водонепроницаемость бетона перемычек, предназначенных для эксплуатации в среде с агрессивной степенью воздействия, следует определять по ГОСТ Водопоглощение бетона перемычек, предназначенных для эксплуатации в среде с агрессивной степенью воздействия на железобетонные конструкции, следует определять по ГОСТ Методы контроля и испытаний арматурных и закладных изделий — по ГОСТ Измерение напряжений в напрягаемой арматуре, контролируемых по окончании натяжения следует проводить по ГОСТ Методы контроля и испытаний исходных сырьевых материалов, применяемых для изготовления перемычек, должны соответствовать установленным стандартами или техническими условиями на эти материалы.
Размеры, отклонение от прямолинейности, толщины защитного слоя бетона до арматуры, положение закладных изделий, качество бетонных поверхностей и внешний вид перемычек следует проверять методами, установленными ГОСТ Маркировка перемычек — по ГОСТ Маркировочные надписи и знаки следует наносить на торцевой или верхней сторонах каждой перемычки.
Допускается по согласованию изготовителя с потребителем и проектной организацией — автором проекта конкретного здания вместо марок наносить на перемычки их сокращенные условные обозначения, принятые в проектной документации конкретного здания.
Требования к документу о качестве перемычек, поставляемых потребителю, — по ГОСТ Дополнительно в документе о качестве перемычек должна быть приведена марка бетона по морозостойкости, а для перемычек, предназначенных для эксплуатации в среде с агрессивной степенью воздействия, — водонепроницаемость и водопоглощение бетона если эти показатели оговорены в заказе на изготовление перемычек. Транспортировать и хранить перемычки следует в соответствии с требованиями ГОСТ Перемычки следует транспортировать и хранить в контейнерах рассортированными по маркам и уложенными в рабочем положении.
Допускается транспортировать и хранить перемычки уложенными в штабели без контейнеров. Подкладки и прокладки между рядами перемычек должны быть толщиной не менее 25 мм и расположены по вертикали одна над другой на расстоянии — мм от торца перемычки.
Высота штабеля перемычек должна быть не более 2 м.
Другие рефераты на тему «Строительство и архитектура»:
Подъем, погрузку и разгрузку перемычек следует проводить пакетами краном с помощью специальных грузозахватных приспособлений, а отдельных перемычек — захватом за монтажные петли или предусмотренные строповочные отверстия. При транспортировании перемычки следует укладывать в транспортные средства в рабочем положении, продольной осью по направлению движения транспорта.
Минимальная марка бетона по морозостойкости для зданий класса по степени ответственности. Типы, основные параметры и размеры.. Технические требования. Правила приемки.
Поиск рефератов
Методы контроля и испытаний. Маркировка, хранение и транспортирование. Приложение Марки бетона перемычек по морозостойкости. Наименование отклонения геометрического параметра Наименование геометрического параметра Пред. На главную База 1 База 2 База 3.
Поиск по реквизитам Поиск по номеру документа Поиск по названию документа Поиск по тексту документа.
Показать все найденные Показать действующие Показать частично действующие Показать не действующие Показать проекты Показать документы с неизвестным статусом.
Упорядочить по номеру документа Упорядочить по дате введения. Код ОКП. Марка перемычки. Основные размеры перемычки, мм.
Расход материалов. Масса перемычки справочная , кг. Бетон, м 3.
ПО СОСТАВЛЕНИЮ ВЕДОМОСТИ ПЕРЕМЫЧЕК
Перемычки с ненапрягаемой арматурой. Выпуск 1. Запроектировано 5типов дверей. Когда производственнику особенно важно наличие гибких производственных мощностей? Новые русские слова в современном русском языке и их значения : Менсплейнинг — это когда мужчина что-то объясняет Тест Тулуз-Пьерон корректурная проба : получение информации о более общих характеристиках работоспособности, таких как Перечень документов по охране труда.
Технические условия. Reinforced concrete lintels for brick wall buildings.
ГОСТ Взамен ГОСТ Несоблюдение стандарта преследуется по закону.
Сроки хранения : Итак, перечень документов по охране труда выглядит следующим образом Поиск по сайту. Данный сайт не претендует на авторства, а предоставляет бесплатное использование.
Стены. Спецификация и ведомость перемычек
Дата создания страницы: Нарушение авторских прав и Нарушение персональных данных. Читайте также: Деталирование сборочного чертежа Когда производственнику особенно важно наличие гибких производственных мощностей?
Собственные движения и пространственные скорости звезд Тема Интересно: Роль биоты в геосистемах Что такое объектно-ориентированное программирование Роль энергетики в жизни и развитии общества Что такое ортодоксальный марксизм? Спецификация и ведомость перемычек. Линолеум многослойный 1.
ГОСТ 948-2016 Перемычки железобетонные для зданий с кирпичными стенами. Технические условия
Стяжка из цем.
Теплоизоляционный слой Железобетонная плита Гидроизоляция полимиксГС. Слой р-ра для уклона. Покрытиелинолеум на теплоизолирующей подоснове ГОСТ — 5 3. Прослойкаиз клеящейся мастики- 4 2. Стяжкаиз цементно-песчаного раствора М — 40 1.
Написать курсовую работу по предмету «Основы архитектуры и строительных конструкций»
Нужно
1. Предмет: «Основы архитектуры и строительных конструкций»
2. Тема: «Малоэтажное жилое здание из мелкоразмерных элементов».
3. Срок выполнения до 06.02.2017 включительно.
4. Рязанский институт (филиал) Московского политехнического университета. факультет ПГС. курс 3
5. задание:
исходные данные:
1. Тип жилого дома — индивидуальный
2. Количество квартир — 1
3. Климатический район — Кострома
4. Грунты — Песчанные
5. Используемые строительные материалы и изделия:
А. фундаменты — свайный
Б. стены — силикатный кирпич с наружным утеплителем
В. перекрытия — ПНО
Г.
крыша(кровля) — стропильная
Д. полы — по назначению
Е. окна — согласно ГОСТам
Инженерное оборудование:
Отопление. Водоснабжение и канализация. Электроснабжение. Гасзоснабжение.
Состав курсовой работы:
Содержание графической части:
1. Планы всех этажей в масштабе 1:100
2. Главный фасад в масштабе 1:100 (с отмывкой)
3. Схема генплана приусадебного участка с домом в масштабе 1:200 (с отмывкой)
4. Разрез здания по леснице (внутренней) в масштабе 1:100
5. План конструкций: фундаменты, перекрытий, стропил в масштабе 1:100
6. План кровли с показом уклона скатов в масштабе 1:200, 1:100
7. Конструктивные узлы здания (2-3 детали) в масштабе 1:20
Содержание расчетно-пояснительной записки:(15 стр. машинописного текста)
Введение
1 Архитектурно-планировочное решение
1.1 Общая часть
1.2 Коструктивная схема здания
1.3 Объемно-планировочное решение
1.4 Генеральный план
1.5 Технико-экономические показатели проекта
2 Коструктивые элементы здания
2.1 Фундаменты
2.2 Стены(теплотехнический расчет наружной стены) и перегородки
2.
3 Перекрытия и полы
2.4 Окна и двери
2.5 Крыша
Таблица 1- Экспликация помещений
Таблица 2- Ведомость перемычек
Таблица 3- Спецификация перемычек
Таблица 4- Спецификация сборных ж/б элементов
Таблица 5- Экспликация полов
Таблица 6- Спецификация столярных изделий
Таблица 7- Спецификация элементов стропильной крыши
Схема плана к ведомости перемычек
Список литературы.
Более подробно условия задания обсудим с исполнителем.
Жду Ваших предложений!
Стены. Спецификация и ведомость перемычек
В проектируемом здании внутренние стены выполнены из … кирпича с размерами …х…х.. .мм., сплошной кладки на растворе М50. Толщина внутренних стен 380мм. Во внутренних стенах, разделяющих санузлы и кухни предусмотрены вентиляционные каналы размерами 140×140 мм. Участки стен в местах прохода вентиляционных каналов армировать двумя продольными стержнями диаметром 5 S500 с приваркой поперечных с шагом 100мм, минуя отверстия вентиляционных каналов.
Если запроектированы приставные вентблоки, то необходимо их описать и выполнить эскиз.
Наружные стены толщиной … мм из … блоков с облицовкой с наружной стороны кирпичом. (Выполнить эскиз конструкции наружной стены).
Над проёмами в стенах укладываются сборные железобетонные перемычки по слою цементного раствора М50.
Таблица 6 – Ведомость перемычек ГОСТ 21.501-93
После выполнения ведомости перемычек составляется спецификация элементов перемычек:
Таблица 7 — Спецификация перемычек ГОСТ 21.501-93
Перегородки
Перегородки запроектированы:
— межкомнатные из … толщиной … мм;
— межкомнатные из … толщиной … мм;
— санузлов из … толщиной … мм;
Перекрытия
В здании запроектированы сборные железобетонные перекрытия из многопустотных плит толщиной 220 мм. Укладка плит на стены производится по предварительно выровненному по уровню цементному раствору марки М50. При монтаже плит перекрытия следить за тем, чтобы опирание плит на стены было не менее величин указанных на схеме расположения плит. После устройства анкеров защитить их слоем цементно-песчаного раствора M l00 толщиной 20 мм. Отверстия до 150 мм в пустотных плитах для пропуска сантехнических и электротехнических коммуникаций просверлить в пределах пустот, не затрагивая несущих рёбер плит. (Выполнить эскиз многопустотной плиты перекрытия).
Крыша (покрытие)
Указать тип крыши (крыш чердачная стропильная, крыша раздельной конструкции с холодным или теплым чердаком). Охарактеризовать кровлю. Указать марки материалов. Указать способ отвода воды с крыши. Указать количество водоприёмных воронок внутреннего или наружного водоотвода.
Лестницы
В здании запроектированы лестницы основного назначения из сборных железобетонных лестничных маршей и площадок, расположенных в лестничных клетках, которые ограждены капитальными стенами. Лестничные марши и площадки подобраны по каталогу на основании расчета.
Привести расчет лестничной клетки. (Выполнить эскизы лестничных маршей и
площадок).
Описать (при наличии) пожарные и эвакуационные лестницы, входные крыльца, сходы в подвал, выходы на крышу. (Например, деревянные лестницы на чердаке и на крыше выполнить из бруса сечением 50×50мм и т.д.).
Полы. Экспликация полов
В данном разделе выполняется таблица, в которой выполняется схема пола в помещении, указывается его состав и площадь.
Таблица 8 — Экспликация полов ГОСТ 21.501-93
Характеристики класса
Предложения класса
Введение, чтобы показать прыгающий класс
Style Class
Rising Star Stake
Описание
Введение в шоу-класс по конкуру
Создан для того, чтобы стать привлекательным первым классом на любом конном шоу.Этот одинарный раунд дает молодой лошади возможность начать свое шоу с несложным курсом, который включает простые наполнители и наземные линии.
Оценивается по Таблице II — Без прыжка. Все чистые раунды остаются ничейными. Призовые деньги делятся поровну между всеми открытыми раундами.
Класс стиля:
Класс стиля — отличный способ получить мнение судьи о пригодности молодой лошади для прыгунов.Для этой дистанции с одним кругом пятьдесят процентов баллов оцениваются за технику, ездовые качества и пригодность для прыжков, а пятьдесят процентов — за результативность
50% баллов основаны на производительности, а 50% баллов — за результативность. основан на стиле. Набирается минус (-) 5 очков за нокдаун или отказ и минус (-) 1 очко за каждую временную ошибку. Никаких прыжков.
Класс восходящей звезды
Класс Stake был разработан для обучения молодых лошадей навыкам прыжка с места.Используя оптимальное время в прыжке, гонщикам рекомендуется использовать трассу для обучения, а не для соревнований. Лошади с чистыми обходами или, в случае отсутствия чистых кругов, с одинаковыми ошибками будут спрыгивать в соответствии с форматом оптимального времени.
Отнесено к таблице IV разд. 2 (а или б) — Оптимальное время. (Лошадь должна соревноваться хотя бы в одном классе NAYJDP, чтобы претендовать на класс Stake)
Спецификации для классов, проводимых до 1 июля
Скорость: 300 м / м с разрешено щедрое время
Высота прыжка: Не более 1.00 м
Ширина прыжка: Не более 1,10 м
Разрешено: 1 двойная комбинация, в которой элемент «А» расположен по вертикали, а элемент «В» — в качестве оксера. Это должно быть установлено к входным воротам с мягким подходом.
Спецификации для классов, проводимых после 1 июля
Скорость: 325 м / м с допустимым временем
Высота прыжка: Не более 1,10 м
Ширина прыжка: Не более 1.15 м
Разрешено:
- Две двойные комбинации
- Первая комбинация должна быть установлена с элементом «A» в качестве вертикали, а элемент «B» в качестве оксера. Это должно быть установлено к входным воротам с мягким подходом.
- Вторая комбинация может быть установлена с «A» в качестве оксера и «B» в качестве вертикали при плавном приближении.
- Ливерпуль как вариант с рейкой по центру.
- Установить по направлению к воротам
- Необходимо использовать соответствующую наземную линию
- Ливерпуль не может использоваться в комбинации
NAYJDP КОНЕЦ ГОДА ФИНАЛ: Будет проводиться на Piedmont Jumper Classic 20 сентября 24, 2017.Участники должны пройти квалификацию, чтобы участвовать в этом мероприятии.
Квалификация: Лошадь должна соревноваться по крайней мере в одном (1) классе NAYJDP в течение 2017 года соревнований на любой выставке лошадей, где предлагается разделение.
Перемычка 1 — Подключение с помощью многожильного кабеля
Подробную информацию об одобрениях продукта, требованиях кодов, инструкциях по использованию и подробных условиях испытаний можно найти в Подробная информация о допусках
Продукция SCHURTER предназначена для использования в промышленных условиях.Они имеют одобрения независимых испытательных организаций в соответствии с национальными и международными стандартами. Продукция с особыми характеристиками и требованиями, например, требующаяся в автомобильном секторе согласно IATF 16949, в медицинской технике согласно ISO 13485 или в аэрокосмической промышленности, может предлагаться SCHURTER исключительно по индивидуальным соглашениям для конкретных клиентов.
Стандарты приложений
Стандарты приложений, в которых может быть использован продукт
| Организация | Дизайн | Стандартный | Описание |
|---|---|---|---|
| Предназначен для приложений в соотв. | IEC / UL 62368-1 | IEC 62368-1 включает основные требования к безопасности аудио, видео, информационных технологий и офисного оборудования. | |
| Предназначен для приложений в соотв. | МЭК 60601-1 | Медицинское электрическое оборудование. Часть 1: Общие требования к базовой безопасности и основным рабочим характеристикам |
Соответствие
Продукт соответствует следующим требованиям
| Идентификация | Детали | Инициатор | Описание |
|---|---|---|---|
| SCHURTER AG | Директива RoHS 2011/65 / ЕС, поправка (ЕС) 2015/863 | ||
| SCHURTER AG | 1 июня 2007 г. вступил в силу Регламент (ЕС) № 1907/2006 о регистрации, оценке, разрешении и ограничении использования химических веществ 1 (сокращенно «REACH»). | ||
| SCHURTER AG | Подходит для использования в медицинском оборудовании согласно IEC / UL 60601-1 |
Vishay Intertechnology, Inc. — Новая микросхема термоперемычки Vishay Intertechnology ThermaWick ™ SMD отводит тепло от электрически изолированных компонентов
Устройство снижает температуру компонентов более чем на 25%, обеспечивая более высокую мощность или более длительный срок службы МАЛЬВЕРН, Пенсильвания, 06 апреля 2020 г. (GLOBE NEWSWIRE) — Vishay Intertechnology, Inc.(NYSE: VSH) сегодня представила микросхему термоперемычки для поверхностного монтажа серии THJP ThermaWick ™. Устройство Vishay Dale Thin Film позволяет конструкторам передавать тепло от электрически изолированных компонентов, обеспечивая теплопроводный путь к заземляющей пластине или общему радиатору.
Обладая подложкой из нитрида алюминия с высокой теплопроводностью 170 Вт / м ° K, выпущенный сегодня чип способен снижать температуру подключенных компонентов более чем на 25%. Это сокращение позволяет разработчикам увеличить мощность этих устройств или продлить срок их службы в существующих условиях эксплуатации, сохраняя при этом электрическую изоляцию каждого компонента.За счет защиты соседних устройств от тепловых нагрузок повышается общая надежность схемы.
Низкая емкость THJP до 0,07 пФ делает его отличным выбором для высокочастотных и тепловых лестничных приложений. Теплопроводник будет использоваться в источниках питания и преобразователях; Усилители RF; синтезаторы; игольчатые и лазерные диоды; и фильтры для AMS, промышленных и телекоммуникационных приложений.
Устройство доступно в шести размерах корпуса от 0603 до 2512, а также доступны индивидуальные размеры.Корпуса 0612 и 1225 имеют длинные боковые заделки для дополнительной теплопередачи. Термоперемычки доступны с выводами с обмоткой без свинца (Pb) и без свинца.
Таблица технических характеристик устройства :
| Размер корпуса | Термическое сопротивление (° C / Вт) | Теплопроводность (мВт / ° C) | Емкость (пФ) |
| 0603 | 14 | 70 | 0.07 |
| 0612 | 4 | 259 | 0,26 |
| 0805 | 13 | 77 | 0,15 |
| 1206 | 15 | 65 | 0,07 |
| 1225 | 4 | 259 | 0,26 |
| 2512 | 15 | 65 | 0,07 |
Образцы и серийные количества термоперемычек ThermaWick серии THJP доступны уже сейчас, сроки поставки — шесть недель.
Vishay Intertechnology, Inc. , компания из списка Fortune 1000, зарегистрированная на NYSE (VSH), является одним из крупнейших в мире производителей дискретных полупроводников (диоды, полевые МОП-транзисторы и инфракрасная оптоэлектроника) и пассивных электронных компонентов (резисторы, катушки индуктивности и конденсаторы). ). Эти компоненты используются практически во всех типах электронных устройств и оборудования на промышленных, компьютерных, автомобильных, бытовых, телекоммуникационных, военных, аэрокосмических рынках, рынках источников питания и в медицине.Инновационные продукты Vishay, успешная стратегия приобретения и универсальный сервис сделали компанию лидером отрасли. Vishay можно найти в Интернете по адресу www.vishay.com.
ThermaWick является товарным знаком Vishay Intertechnology.
Vishay на Facebook: http://www.facebook.com/VishayIntertechnology
Vishay Twitter-лента: Tweets by VishayIndust
Поделитесь им в Twitter: http://twitter.com/intent/tweet?text=New @vishayindust Термоперемычка ThermaWick SMD отводит тепло от электрически изолированных компонентов.- https://bit.ly/2UzY2Zt
Ссылка на спецификации продукта:
http://www.vishay.com/ppg?60157 (микросхема термоперемычки ThermaWick ™ для поверхностного монтажа)
Ссылка на фото товара:
https://www.flickr.com/photos/vishay/albums/72157713613486508
За дополнительной информацией обращайтесь:
Vishay Intertechnology
Peter Henrici, +1 408 567-8400
[email protected]
или
Redpines
Bob Decker, +1 415 409-0233
[email protected]
Источник: Vishay Intertechnology, Inc.
Описание материнской платы |
|
ЦП / Процессор |
|
Фронтальная шина (FSB) (зависит от процессора) | |
Набор микросхем | |
Особенности BIOS |
|
Форм-фактор |
|
Память |
|
Слоты расширения |
|
Видео графика | Графические порты:
|
Последовательный ATA |
Примечание: |
ACHI |
|
RAID | Не поддерживается HP. Примечание: |
Бортовая аудиосистема | Аудиопорты материнской платы
|
Бортовая локальная сеть |
|
Встроенный USB |
|
Бортовой 1394 |
|
Задняя панель I / 0 | В списке в физическом порядке слева направо:
|
Внутренние разъемы |
|
Перемычки на передней панели, E8361A, Opt 014
Технические характеристики: Перемычки на передней панели, E8361A, Opt 014Технические характеристики: Перемычки на передней панели
Модель E8361A Опция 014
ПРИМЕЧАНИЕ. Стандартный E8361A не имеет перемычек на передней панели.
Таблица 23: Входы измерительного приемника (Rcvr A In, Rcvr B In)
Описание | Технические характеристики | Дополнительная информация |
Максимальный входной уровень | ||
E8361A: | ||
типичный: | ||
от 10 МГц до 45 МГц | — 12 дБм | |
от 45 МГц до 500 МГц | — 12 дБм | |
от 500 МГц до 2 ГГц | — 10 дБм | |
от 2 ГГц до 5 ГГц | — 10 дБм | |
от 5 ГГц до 10 ГГц | -7 дБм | |
от 10 ГГц до 24 ГГц | -7 дБм | |
от 24 до 30 ГГц | -7 дБм | |
от 30 ГГц до 40 ГГц | — 8 дБм | |
от 40 ГГц до 45 ГГц | — 8 дБм | |
от 45 ГГц до 50 ГГц | — 8 дБм | |
от 50 ГГц до 60 ГГц | — 8 дБм | |
от 60 до 67 ГГц | — 8 дБм | |
от 67 ГГц до 70 ГГц | — 8 дБм | |
Уровень урона | ||
E8361A | + 15 дБм | |
Максимальный уровень постоянного тока | ||
E8361A | + 15 В | |
Таблица 24: Входы эталонного приемника (Rcvr R1, Rcvr R2)
Описание | Технические характеристики | Дополнительная информация | |
Максимальный входной уровень | |||
E8361A: | |||
Rcvr R1 с опцией 081 | |||
типичный: | |||
от 10 МГц до 45 МГц | — 10 дБм | — 5.5 дБм | |
от 45 МГц до 500 МГц | — 9,5 дБм | — 5,0 дБм | |
от 500 МГц до 2 ГГц | — 9 дБм | — 4,0 дБм | |
от 2 ГГц до 5 ГГц | — 7.5 дБм | — 2,0 дБм | |
от 5 ГГц до 10 ГГц | — 2,5 дБм | 3,0 дБм | |
от 10 ГГц до 24 ГГц | — 1,5 дБм | 4.5 дБм | |
от 24 до 30 ГГц | — 0,50 дБм | 5,5 дБм | |
от 30 ГГц до 40 ГГц | — 1 дБм | 5,5 дБм | |
от 40 ГГц до 45 ГГц | — 0.5 дБм | 6,5 дБм | |
от 45 ГГц до 50 ГГц | 0 дБм | 7,0 дБм | |
от 50 ГГц до 60 ГГц | 0,5 дБм | 7.50 дБм | |
от 60 до 67 ГГц | 1,00 дБм | 9,00 дБм | |
от 67 ГГц до 70 ГГц | 1,50 дБм | 10,50 дБм | |
Уровень урона | |||
E8361A | + 15 дБм | ||
Максимальный уровень постоянного тока | |||
E8361A | +/- 15 В | ||
Таблица 25: Выходы задания (выход источника задания 1, выход источника задания 2)
Описание | Технические характеристики | Дополнительная информация | ||
Максимальный выходной уровень | ||||
E8361A: | ||||
Опция 014 и UNL | ||||
Rcvr R1 с опцией 081 | Без опции 081 | |||
типичный: | ||||
от 10 МГц до 45 МГц | — 43 дБм | — 38.5 дБм | — 43 дБм | |
от 45 МГц до 500 МГц | — 17,5 дБм | — 13 дБм | — 17,5 дБм | |
от 500 МГц до 2 ГГц | — 12.5 дБм | — 8,5 дБм | — 13,5 дБм | |
от 2 ГГц до 5 ГГц | — 10,5 дБм | — 6 дБм | — 11,5 дБм | |
от 5 ГГц до 10 ГГц | — 10.5 дБм | — 6 дБм | — 11,5 дБм | |
от 10 ГГц до 24 ГГц | — 9,5 дБм | — 6,5 дБм | — 12,5 дБм | |
от 24 до 30 ГГц | — 9 дБм | — 6 дБм | — 12.0 дБм | |
от 30 ГГц до 40 ГГц | — 9,5 дБм | — 6 дБм | — 12,5 дБм | |
от 40 ГГц до 45 ГГц | — 13 дБм | — 10 дБм | — 17 дБм | |
от 45 ГГц до 50 ГГц | — 8.5 дБм | — 5,5 дБм | — 12,5 дБм | |
от 50 ГГц до 60 ГГц | — 9 дБм | — 6 дБм | — 13 дБм | |
от 60 до 67 ГГц | — 10.5 дБм | — 8,5 дБм | — 16,5 дБм | |
от 67 ГГц до 70 ГГц | — 9 дБм | — 6 дБм | -15 дБм | |
Уровень урона | ||||
E8361A | + 20 дБм | |||
Максимальный уровень постоянного тока | ||||
E8361A | +/- 15 В | |||
Таблица 26: Выходы источников (порт 1, источник, порт 2, источник)
Описание | Технические характеристики | Дополнительная информация | |
Максимальный выходной уровень | |||
E8361A | |||
Опция 014 и UNL | |||
типичный: | |||
от 10 МГц до 45 МГц | -6.5 дБм | — 5 дБм | |
от 45 МГц до 500 МГц | -2,5 дБм | — 1 дБм | |
от 500 МГц до 2 ГГц | -1 дБм | 1.5 дБм | |
от 2 ГГц до 5 ГГц | -1,5 дБм | 2,5 дБм | |
от 5 ГГц до 10 ГГц | -1,5 дБм | 2,5 дБм | |
от 10 ГГц до 24 ГГц | -2 дБм | 2 дБм | |
от 24 до 30 ГГц | -3 дБм | 3 дБм | |
от 30 ГГц до 40 ГГц | -1 дБм | 1.5 дБм | |
от 40 ГГц до 45 ГГц | -2,5 дБм | — 3,5 дБм | |
от 45 ГГц до 50 ГГц | -2 дБм | 1 дБм | |
от 50 ГГц до 60 ГГц | 0 дБм | — 0.5 дБм | |
от 60 до 67 ГГц | -2 дБм | — 4,5 дБм | |
от 67 ГГц до 70 ГГц | -0,5 дБм | — 1 дБм | |
Уровень урона | |||
E8361A | 27 дБм | ||
Максимальный уровень постоянного тока | |||
E8361A | +/- 40 В | ||
Таблица 27: Входы ответвителя (порт 1 Cplr Thru, Port 2 Cplr Thru)
Описание | Технические характеристики | Дополнительная информация | |
Вносимая потеря для тестового порта | |||
E8361A | |||
Опция 014 и UNL | |||
типичный: | |||
от 10 МГц до 45 МГц | 0.5 дБ | 2 дБ | |
от 45 МГц до 500 МГц | 0,5 дБ | 0,5 дБ | |
от 500 МГц до 2 ГГц | 0,5 дБ | 0.5 дБ | |
от 2 ГГц до 5 ГГц | 1,5 дБ | 0,5 дБ | |
от 5 ГГц до 10 ГГц | 1,5 дБ | 0,5 дБ | |
от 10 ГГц до 24 ГГц | 2 дБ | 1 дБ | |
от 24 до 30 ГГц | 2.5 дБ | 1 дБ | |
от 30 ГГц до 40 ГГц | 3 дБ | 1 дБ | |
от 40 ГГц до 45 ГГц | 3 дБ | 1 дБ | |
от 45 ГГц до 50 ГГц | 3.5 дБ | 1 дБ | |
от 50 ГГц до 60 ГГц | 4 дБ | 1,5 дБ | |
от 60 до 67 ГГц | 4,5 дБ | 2.00 дБ | |
от 67 ГГц до 70 ГГц | 6 дБ | 3,50 дБ | |
Уровень урона | |||
E8361A | + 27 дБм | ||
Максимальный уровень постоянного тока | |||
E8361A | +/- 40 В | ||
Таблица 28: Выходы ответвителя (рычаг Cplr порта 1, рычаг Cplr порта 2)
Описание | Спецификация | Дополнительная информация |
Уровень урона | ||
E8361A | + 30 дБм | |
Максимальный уровень постоянного тока | ||
E8361A | +/- 7 В | |
GO 95 Индекс
А Б В
D E F
G H I J K
L M N
O P Q
Р С Т У
В Ш Х Д З
A
Заброшенные линии 31.6
Принятая передовая практика 13
Допустимые препятствия
Скалолазание 54.7A3, 54.9F, 54.10F3, 54.11G, 54.12F3, 58.3A3, 84.7E, 88.1
Рабочее пространство 54.7B2
Допустимое Определение натяжения 23.7A
Изменение или реконструкция,
Комиссия Майский приказ 12.4
Алюминий Кабель, армированный сталью Таблица 23 (Приложение B )
Американский калибр проводов (AWG) 24.2A
Якорные парни (см. Также парни)
Приложение, Центр нагрузки 56.2, 66.2, 86.2, Приложение F — Части 2 и 3
распродажи
(См. Парня
Зазоры)
Определение 56.1 (см. Правила 21.5 и 23.5)
Из корпусов трансформаторов 56.4F
Заземление или заземление 56.6D, 66.6, 86.6C, 92.4
Расположение изоляторов 56.7Б, 86.7Б
Маркировка (охрана) 56.9, 66.7, 86.9
Фактор безопасности 44, 44.1, таблица 4, 49.6C
Требования к секционированию
56,6, 86,6
Размер 49.6B, 61.3
Прочность 48,4, таблица
24
Использование 47.2
Угол отклонения
Рисунок 86 (Приложение
G)
Проблема углового полюса Приложение F — Часть 3
Годовые изменения погоды, нормальные Таблица 1 — Примечание (ддд)
Определение видимого провисания 23.3B, рисунок 4
Применимость общих нейтральных правил 59.2
Применимость Правил 11, 12, 13
Арочные щиты 104, 114
Парень с рукой (см. Парень)
Руки (см. Crossarm)
Расположение линий 32
Ограничители молний 22.0, 33.3A, 89.2
Крепление защитного покрытия 54.6I, 84.6F
Присоединение проводов
на мосты, здания и т. Д. 54.4х3, 54.4И, 84.4Ф
к Изоляторы 54.11B1
к троллейным пролетам 78.1, 78.2
Приложение проводов к поверхности полюсов
Кабели
и мессенджеры, продольные
57.4F, 84.4D2, 87.4D2
Провода связи, продольные
84.4D2, 92.1C, 92.1D
Служба связи падает
84.8B2b
Провода заземления 54.6B, 84.6B
Низкое напряжение на стойках (см. Конструкцию стойки)
Боковые прогоны 54.6C, 84.6C
Подступенки 54.6E, 84.6E
Вертикальная конфигурация
54.4D6b
Вертикальные бега 54.6D, 84.6D
Без использования деревянных траверс
54.11Б
Приложение к полюсам пролетных проводов, иностранных 34, 78,3
Автотрансформатор 24,1
Предотвращение конфликта 31,3, 31,4
А Б В
D E F
G H I J K
L M N
O P Q
Р С Т У
В Ш Х Д З
B
Магистраль 77, 77.6b
Опорная плита 54.6E1c
Барьеры 51.6B, 61.6A, 61.6B
Изгиб, модули разрушения в 48.1, таблица 5
Бирмингемский калибр проводов (BWG) 24.2B
Болты, закрытые в пространстве для лазания 54.7A3, 58.1B1
Облигации (или облигации)
Конденсаторы
или регуляторы 58.4C
Цепей 7500 или меньше
53.4B, 103.1B, 113.1B
Цепи более 7500 вольт
53.4A, 63.4, 103.1B, 113.1B
Общий 53.4A3b
Связь Посланники и Парни
83,4
Покрытие соединительных проводов 53.4A, 53.4B, 83.4
Заземленный 33.3A, 52.4F, 53.4A3a, 53.4A3b
Мессенджеры и кабели 57.8, 83.4, 92.4
Фазетофаза 63,4
Контакты и мертвое оборудование
53,4, 63,4
Раздельный 53.4A3a
Разделение соединительных проводов 52.4B, 52.7C
Трансформаторы 58.1, 58.2A3
Сечение провода 53,4, 63,4
Ящики
Расположение и зазор 54.4G, 58.6, 84.6D, 88.1, 92.1F
Подтяжки
Металлическая спинка
52.7E, 54.7A3, 84.7B
Требования к применению 47,2
Отделение от другого оборудования и проводников
52,7Б, 92,3
Кронштейны
Кабель
87,5
Связь, Открытый провод
84,4Clb
Прекращение обслуживания, оформление
54.8C2, 84.8D2
Таблица прочности 4 (Раздел
4
)
Тележка 77.6C
Мост
Приложение
до 54.4х3, 54.4И, 84.4Ф
Зазор между проводниками из таблицы 1 — случаи 6 и 7, 54.4H, 54.4I, 84.4F
Определение 20.3
Обузданный Запускает 84.6D
Бак Армс
клиренс,
Модифицированный 64.4C2
Скалолазание 54.7A3, 84.7B
Определение 21.0B
Стол вертикального разделения 2-Корпус 14, 54.4C2a
связка
Определение проводника 20.9-A
А Б В
D E F
G H I J K
L M N
O P Q
Р С Т У
В Ш Х Д З
С
Кабель
Алюминий, армированный сталью
Таблица 23 (Приложение
Б)
Вспомогательная 77.6А5, 78.3C
Соединение и заземление 57,8
Коробки (см. Коробки)
Разрешение от его посланника
57.4D
Зазоры (см. Проводник)
Прикрытие вместо охранного оружия
57,7, 87,7
Определение 20.4, 87.1
Эквалайзер 74.4G3
Таблица крепления 4, 87,5
Защита контактных проводников над тележкой
57.4B2, 87.4B2
Защита на полюсных аттачментах
57.4F, 57.7, 87.4C3, 87,7
Крючки, расположение 84.4C1c, 84.8B2b
Боковые и вертикальные пробежки (см. Пробеги
)
Загрузка (см. Также Загрузка)
49.7-Б
Низкое напряжение, многопроводник с неизолированным
Нейтральный 54,10
Посланник (см. Посланник)
Нейтрально поддерживаемое (триплексное) прекращение обслуживания
54,8B4b
Защита 54.6D, 54.6E, 57.7, 84.7D, 84.6E, 87.7
Подступенки (см. Подступенки)
Провисание 57,9, 87,8
Клеммы 54.6F, 84.6D, 88.1
Triplex (Нейтрально поддерживаемое прекращение обслуживания)
54.8B4b
Конденсаторы, Деталь установки 54,4
Зазоры корпуса
Конденсаторы
58.1Б
Регуляторы 58.1В
Коммутаторы 54.4G, 58.6A
Трансформаторы 58.2А3
Catenary Строительство
Определение
20,5
Требуется для пересечений уровней
74.4В2, 74.4F2
Изменение Класс конструкции 47.4, 49.3C2
Цепь (или цепи)
Определение
20,6
Различные схемы на одном траверсе
32,4, 89,2А
Государственный контроль агентства
92,2
Обозначение собственности 32.4A4
Относительные уровни 32,2
класс C Определение цепи связи 20.6A
Определение цепи питания класса E 20.6D1
Определение цепи питания класса H 20.6D2
Определение цепи питания класса L 20.6D3
Определение цепи питания класса T 20.6E
Зазор (см. Траверсу)
Зазор (см. Следующие заголовки)
Зазоры для проводов
Корпус
Просвет
Земля
Провода
Гай
Выносы
Гай
Изоляторы
Крепеж
Боковой
Проводники
Свинец
Зазоры для проводов
Messenger
Зазоры
Опора
Подступенка
Крыши
Колеса
Обслуживание
Падение зазоров Знак
Зазоры
пролет
Зазоры для проводов, улица
Освещение
Башня
Трансформаторы
Скалолазание Космос
Допустимое
Препятствия 54.7A3, 54.9F, 54.10F3, 54.11G, 54.12F3, 58.3A3, 84.7E, 88.1
Конструкция рычага Buck 54.7A2, 84.7B
Комбинированные линейные рычаги 54.7A2
Цепи связи 84,7
Определение 20.7
Совместные полюса 93
Один вертикальный круг на вершине полюса
54.11F
Стеллажная 54.9F
Космические Болты, Тупик, Покрытый
54.7A3
Цепи питания 54,7
Терминалы, Связь, Разрешены
88.1
Сквозные болты, трансформатор, покрытый
58.1B3
Цепи тележки 74,7
Коллинеарные линии
Определение
22.1Б
Требования 32.3, 54.4D3, 56.4C2, 84.4D3, 103.5
Комбинация Рука
Схемы
Разрешено 32.4, 54.4C2b, 54.7A3, 54.8E
Определение 21.0A
Маркировка (см. Также Маркировка) 52.4C
Обычный Нейтральная система, требования для 59
Common Neutral, маркировка 59.3F
Требования к связи Раздел VIII
Бетон, прочность таблицы 4, 48,3
Условия, наиболее строгие 14
Условия, ограничивающие, определенные 14
Условия, два или более 14, 42,1
Проводник (или проводники)
Расположение
Без деревянных траверс
54.11B2
Крепится к поверхности столба (см. Приложение)
Комплект поставки 20.9A
Зазоры (см. Зазоры для проводов)
Общая нейтральная система 59.3
Контакт (см. Тележка
Контакты)
Покрытие, всепогодное 54.8A, 54.9C1, 74.4G3, 84.8A, 92.2
Покрытие, устойчивое к погодным условиям
20,9 г
Мертвые концы (см. Мертвые
Окончание)
Определение видов 20.9
Дуплексная связь 84.4C2
Земля как 33.2
Крепления или стяжные провода
49.3B3, 49.3C1b, 49.3C2
Пожарная сигнализация и полиция 92,2
Земля (см. Также Земля
Провода)
33.2, 92,4
Изолированный, подходящего определения
20,9 г
Боковые (см. Боковые проводники)
Определение линии 20.9C
Загрузка 43, Прил. B
Материал 49.4A, 54.11C, 59.3A, 6.3,
74,3
Нейтральный 33,1, 59,2
Открытый провод — Определение 20.9D
Верхнее освещение 61.3А2, 103.2, 113.2
Защищенные 54.4h3, 54.4I, 54.6C, 54.6D, 54.6E, 84.6D, 84.6E
Фактор безопасности 44, таблица 4
Провисание (см. Провисание)
Прекращение обслуживания (см. Прекращение обслуживания
)
Размер 49.4Б, Таблица
8, 59.3Б, 59.4А, 74.3, 113.4
Расстояние 54.11D
Сращивания (см. Сращивания
Дирижер)
Прочность 49,4С, Прил.
B
Подходящая изоляция 20.9G
Подвески 63
Напряжение (см. Напряжение)
Триплексная связь 84.4C2
Незащищенный 20.9E, 54.6A, 58.1B
Вертикальные (см. Вертикальные проводники)
Устойчивый к атмосферным воздействиям с недостаточной изоляцией
20,8 г
Зазоры для проводов
вверху
Земля 37 — Таблица 1 — Случаи с 1 по 5
Над бассейнами 54.4A3, 84.4A5
Над железнодорожными путями 37 — Таблица 1 — Случаи 1 и 2
Выше проводников тележки 38-Таблица 2-Ячейка 2
В точках отказа 49.4C4, 74.4F
При том же потенциале 64,4C2
Базовый 37 -Таблица 1, 38 -Таблица 2
Между проводниками 38 — Таблица 2 — Случаи с 1 по 17, 20
С мостов, зданий и т. Д. 37 — Таблица 1 — Случаи 6 и 7
Из Crossarms 37 — Таблица 1 — Случай 9, 54.4E, 58.3A2
От капельных петель 54.4C7, рисунок
33
Из заземленных металлических ящиков
54.4G, 58.1B, 92.1F2
От парней и посланников 38 — Таблица 2 — Случаи 1, 18 и 19
От оборудования (см. Оборудование)
От выводных проводов 54.4C6, рисунок
33
От полюсов 37 -Таблица 1-Случаи 8 и 9
По знакам 39, таблица 2А
От пролетных проводов 38 — таблица 2 — случаи 1, 18 и 19
От уличных фонарей 58.5B3, 58.5E, 92.1F5
Из Трансформеров 54.4G, 92.1F
Из Деревьев 35, Таблица 1, Дело 13
Высота до переходов
101,1, 111,2
Изменение примечаний к таблицам 1 и 2, касающихся основных зазоров
На изоляторах без деревянных траверс 38 — Таблица 2 — Корпус 20, 54.11B1, 54.11E
Уменьшено с Crossarms 54.4E, 58.3A2
Разрешения на прекращение обслуживания (см. Разрешения на прекращение обслуживания)
Треугольная конфигурация, между проводниками 54.4C1c, 64.4C1
Незащищенные вертикальные и боковые
54.6A
Вертикальная конфигурация, между проводниками
54.4C1a, 64.4C1
Изоляторы проводников
Flashover
Напряжение 55,3C -Таблица
12
Материал 55.1, 65.1, 85.1
Метод испытания 55.3C
Факторы безопасности 44, таблица 4
Прочность 49,5А
Требования к напряжению 55.3, 65.1
Дирижер Подвески 63
Кабелепровод (см. Также Труба и защитная Покрытие ) 20.9E, 52.7D, 54.4h3, 54.4I, 54.6C, 54.6D, 54.6E, 54.6F, 84.4F
Конфликтующие линии — определение 22.1А, Раздел X
Конфликты, сотрудничество, которого следует избегать 31.1, 31.4
Подключения, электрические 49.4E, 59.3C
Строительство и реконструкция линий 12,1, 44,1
Изменить
марки 47,4
Концевые опоры классов A и B
47,5
Сорта 42, 44.1, 49.1Б
Контроль Цепи, Государственное агентство 92.2
Сотрудничество во избежание конфликтов 31.4
Сталь с медным покрытием Таблица 22
Медная проволока, Характеристики таблиц 17-20, Приложение B
Коррозионно-стойкий (см. Цинкование). )
Крышка
Болт
— Определение 22.8C
Болт — в пространстве для лазания
54.7A3i, 58.1B3
Покрытие (См. Защитное покрытие)
Подставки или экраны 105, 115
Поперечина или рука
Подтяжки
(См. Фигурные скобки)
Кронштейны (см. Кронштейны)
Buck Arm (см. Buck
Оружие)
Дорожный рычаг, использование 21.0C, 32.3, 54.4D3, 54.8C2, 84.4D3, 84.8D2
Комбинированная рука (см. Комбинированная рука)
)
Вырез, маркировка 52.4D
Определение
Виды 21.0
Рука охранника (см.
Охранное оружие)
Каблук 58.1B3
Кикер (такой же, как пятка)
Материал 49.2A, 52.5, 54.8C3, 84.8D3
Маркировка 52.4, 59.3F
Металл 52.5, 52.4E4
Покраска (такая же, как маркировка)
Расстояние между пальцами и мертвым концом 37 — Таблица 1 — Ячейка 8, 38 — Таблица 2 — Ящик 15
Удлинитель на стойке (см. Удлинитель на стойку)
Фактор безопасности 44, таблица 4
Размер 49.2Б
Прочность 49.2C
Переход Проблема Приложение F — Часть 1
Пересечения (см. Пересечение линий)
Провода с перекрестными пролетами 77,2
Вырезы (см. Переключатели)
В Рабочее пространство 54.7B2
A B C D E F G H I J K L M N O P Q Р С Т У В Ш Х Д З
D
Тупиковый узел
Заземление
кабеля 57.7, 87.7Б
Изоляторы (см. Изоляторы проводов)
Фактор безопасности 44, таблица 4
Разделение оборудования 52.7D, 92.3
Расстояние 37 -Таблица 1-Ячейка 8, 38 -Таблица 2-Ячейка 15, 63,3
Прочность 57,5, 87,5
Тупик и Расстояние между подвесками 37 -Таблица 1, 38 -Таблица 2, 63,3
Конечные провода питания
в
Верх полюса 54.4D8
Зазоры (см. Зазоры для проводов)
Мессенджеры (см. Крепления мессенджеров
)
Крышки для болтов Space Bolt в пространстве для лазания
54.7A3
Типичные проблемы Приложение F — Часть
1
Вертикальная конфигурация
54.4C4, 54.4D6
Декоративный Гирлянды 34, 78.3, 78.3A2
Улица Декоративная Освещение 78.3A1, 78.3B, 78.3C
Определения Раздел II
Прогиб, конструкции, способные 56.2, 66.2, 86.2
Глубина установки деревянных столбов 49.1C
Износ (см. Замену)
Отклонение, угол изображения Рисунок 86, Приложение G, Приложение F — Часть 3
Диаграммы Приложение G
Размеры (См. Также Размер под различными позициями)
Crossarms
49.2Б, Приложение
F
Полюса 49.1Б, 82, приложение F
Защитное покрытие 22.8, рисунок
81, рисунок
82 (Приложение
G)
Члены башни 61.3A1
Башни 22.1C
отключает
(См. Переключатели)
р-н, Высокая пожароопасность 21.2-D, 18-A, 37, 80.1-A, 80.1-B
Районы, Нагрузка 21.2C, 43.1, 43.2, 49.4C, Приложение
A
район, сельский 21.2B
район, городской 21.2А
Отдел промышленной безопасности 39, таблица 2А, исх. (b)
Пихта Дугласа (см. Защитное покрытие, подходит)
Дренажные змеевики 89,2
Капельные петли (см. Провода)
Приводные крючки 84.4C, 84.8B2b2
Отводные провода, уличный фонарь 54.6A, 58.5B3, 92.1F5
Конструкция с двойным штифтом 102.1, 112.1
А Б В Г
E F G
H I J K
L M N
O P Q
Р С Т У
В Ш Х Д З
E
Земля как проводник 33.2
Эффективно заземленное определение 21.4A
Модуль упругости, модуль упругости проводников Приложение C
Элемент, подчиненный 12.1C
Концевые опоры— классы A или B 47,5
Кабель эквалайзера, тележка 74.4G3
Разное оборудование (см. Разное оборудование)
Исключительные случаи, относительные уровни 32.2G
Исключения или модификации 15
Открытый парень (см. Парень)
Экспериментальные установки 15.2
А Б В Г
E F G
H I J K
L M N
O P Q
Р С Т У
В Ш Х Д З
F
Фактор безопасности (см. Коэффициент безопасности)
Крепления (см. Крепления под различными позициями)
Устройство подачи
Вспомогательный
74.3, 74.4C, 77.6A5
Общий нейтраль 59.3B, 59.3D
Проволока разветвления 77.6A4, 77.6A5, 77.6C3, 78,1
Тележка 37 -стол 1кол. С, 74.3, 74.4 G3
Забор
Барьер 51.6B, 61.6B
Подстанция 61.6Б
Корпус третьей направляющей 79,4
Опоры и Фонды 45, 46, 48,5
Иностранные приложения 34, 78,3
А Б В Г
E F G
H I J K
L M N
O P Q
Р С Т У
В Ш Х Д З
G
Усиления, полюс 49.1D
Калибры, виды 24,2
Гальванизация или коррозионная стойкость 49.2A2, 49.3A, 49.6A, 49.7A, 49.8, 61.3A1
Гирлянды, декоративные 78.3, 78.3A2
Цепи контроля государственных органов 92.2
Типы конструкции (см. Также столб, размеры) 42, таблица 3, 42.1, 42.2, 42.3, 49.1B
Изменить В 47.4, 49.3C2
Большой прогиб Разрешено 37, Приложение F
как
Дирижер 33.2
Подключение, заземление 21,3, 33,3
Сопротивление 21.4, 59.4B2
Отделение от оборудования
52,7C
Провода и нейтрали 33.1, 54.6B, 61.3A2, 84.6B
Земля Провода
Распродажа
от оборудования 52.7B, 52.7C, 54.6B, 54.6H
Общий нейтраль 59,3C, 59,4
Электропроводность 54.6В
Определение покрытия 22.8A, 54.6B, 84.6B
Расположение 54.6B, 84.6B
Материал 49.4A, 61.3A2, 84.6B
Механическая прочность 54.6B, 59.4, 61.3A2, 84.6B
Парень (или Ребята)
Якорь
(См. Якорь
Парень)
Плечо 56.7A, рисунок
567
Крепится к заземленным конструкциям
66,6
Приспособление, центр нагрузки
56,2, 66,2, 86,2
Разветвленная или уздечка 56.7A, рисунок
567
Склеивание 83,4, 92,4
Определение 21,5
Exposed-Definition 21,5C, 86
Крепления, крючки, прокладки и наперстки
56,5, 66,5, 86,5
Заземление или заземление 56.6D, 56.6E, 66.6, 86.6, 92.4
Защита там, где доступ ограничен до посланников
56.4C4, 86.4C4
В пространстве для скалолазания 52.7D, 54.7A3, 84.7E
In Proximity-Definition 21.5D, 56.6, 86.6, рисунки 562
к 5610
Ведущий парень, иллюстрированный
Рисунок 86 (Приложение
G)
Расположение разделительных изоляторов
56.7, 86,7
Маркеры (гвардейцы) 56.9, 66.7, 86.9
Материал 49.6A
На опорах установить неглубокий 49.1C
Накладные расходы (см. Накладные расходы
Ребята)
Защита вышеупомянутых контактных проводов тележки
56.4B2, 86.4B2
Фактор безопасности 44, таблица 4
Требования к секционированию
56,6, 66,6, 86,6
Тротуар 56.7B, 86.7B, рисунок
51
Размер 49.6B, 61.3A3
Пролет 21,5 A
Сила 49.6C, Таблица
9; 61.3A2, Таблица
24
Туго 56,2, 66,2, 86,2
Ферма 56.7C, 86.7C, фигура
5610
Использование 47.2, 56.2, 66.2, 86.2
Парень Изоляторы
Распродажа
от Ребят 56.4D3, 86.4D3
Напряжение пробоя 56,8C — Таблица
13, 86.8C -Таблица
16
Расположение секционирования
56,7, 77,6, 86,7
Материал 56.8А, 86.8A
Метод испытаний 56.8C, 86.8C
Прочность 49.5В
Факторы безопасности 44, таблица 4
Требования к напряжению 56.8C, 86.8C
А Б В Г
E F G
H I J K
L M N
O P Q
Р С Т У
В Ш Х Д З
H
Подвесные кронштейны (см. Crossarms)
Крепежные детали
Склеивание
53.4
Разрешения от проводников
52.7C, 54.6B, 58.3A2, 92.3
Зазоры от заземляющих проводов (см. Заземляющие провода)
Конструкция без деревянных траверс
54.11B1
Заземление 52,5, 52,7В, 52,7Ф, 91,4
Изоляционный материал обеспечивает зазор
54.6H
Материал 49.2A2, 49.3A, 49.8, 61.3A
Фактор безопасности 44, таблица 4
Отделение от другого оборудования
52.7D, 53.4A2, 53.4B, 54.6H, 58.1B3, 91.4, 92.3
Прочность 57,5, 77,5, 87,5
Твердая древесина Молдинг (см. Защитное покрытие, подходит)
Отводы головы (см. Отводы над головой )
Тяжелая нагрузка 43,1
Пяточные дужки (см. Также Поперечные дужки) 58.1B3
Рост парня Рисунок 86 (Приложение G)
Высокая Пожароопасный район 18-А, 21.2-Д, 37, 80.1-А, 80.1-Б
Знаки высокого напряжения (см. Маркировку)
Крючки, парень 86.5
Крючки, расположение (см. Кабель Крючки)
Горизонтальный изолятор-Определение 54.11A
А Б В Г
E F G
H I J K
L M N
O P Q
Р С Т У
В Ш Х Д З
I
Обледенение 43.1B
Подключение случайных полюсов 38 -Таблица 2, случаи 16 и 17
Индикационные переключатели 58.3B
Индуцированное напряжение, защита от 89.2, 92.4B
Индуктивные помехи 90
Индуктивные параллели — предотвращение конфликтов 31,3, 31,4
Изолированная конструкция 21,6
Изоляторы без деревянных траверс
Приложение
54.11B2
Зазоры 54.11B1, 54.11E
Скалолазание 54.11F
Расположение дирижеров
54.11B2
Расстояние между проводниками 38 — Таблица 2 — Корпус 20, 54.11D
Оборудование 54.11B1
Определение положения по горизонтали
54.11A
Треугольная конфигурация
54.11B2
Вертикальное расстояние между уровнями 38 — Таблица 2, 54.11E
Вертикальное положение-определение
54.11A
Иллюстративные диаграммы Приложение G
Проверка
строк 31.2
Третьего пути 79,6
Изоляция, Подходящие изоляторы 20.9G
(см. Также проводник Изоляторы и Гай Изоляторы)
Сервис
Выпадать с голым нейтралом
49.4C7a, 54,8A
Разветвитель и магистраль 77,6
Уличное освещение, спуск тросов в
58.5D
Прочность 46,49,5
Подвеска 63
Подвеска тележки 77.6A3, 77.6C1
Намерение Построить, Уведомление о 31,4
Промежуточный погрузочный район (см. Измененная загрузка Округ )
Изолированное определение 21,7
Изоляция незащищенных парней 92.4A, 92.4B
А Б В Г
E F G
H I J K
L M N
O P Q
Р С Т У
В Ш Х Д З
Дж
Совместное использование полюсов
Рассмотрение
всеми заинтересованными сторонами
31.5, 91.1
Строительные требования Раздел IX
Определение 21.8
Запрещен на непроходимой трассе
.
Частично метро 31.5, 91.1
Загрузка Районы 21.2C, 43, 43.1, 43.2, 49.4C, Приложение A
Нагрузки
Сбалансированный
49.2C1, 49.3C1
Несбалансированный 47.3, 49.2C2, 49.3C2
Ветер 43.1A, 43.2A, 49.1C
ЖД 22.9Б
Разметка
Обычный
Нейтраль, обозначение 59.3F
Маркер Гая 56.9, 66.7, 86.9
Решетчатые стальные опоры 51.6A
Менее 750 Вольт 52.4C
Собственность, более 750
Вольт 32.4A4
Третий рельс 79.1, 79.3, 79.4
Башни и сооружения 61.6A
Маркировка, Высокое напряжение
Методы
51.6А, 61.6А
Требования к траверсам
51.6A, 54.4I
Требования к полюсам 51.6A
Требования к башням и сооружениям
61.6A
Материал, Сила (см. Сила Материал )
Материал, элементы башни 61.3A1
Определение максимально допустимого натяжения 23.7A
Максимальные предельные условия 14
Максимальное рабочее напряжение — Определение 23,7Б
распродажи
(См. Допуск к посланнику)
Связь 83.4, 92,4
Определение 23.7
Крепления, крючки, прокладки и наперстки
57,5, 77,5, 87,5
Заземление 92,4
Посланник (или мессенджеры) (См. также Span Wires )
Охрана
Контактные проводники над тележкой
57.4B2, 87.4B2
На страже прикрепления к полюсам
57.4F, 57.7, 87.4C3, 87.7
Охрана там, где допуск ограничен до парней
56.4C4, 86.4C4
Материал 49.7A
Требования к применению 57.2, 87.2, 89.4, 103.4, 113.4
Фактор безопасности 44, таблица 4
Секционирование 57.6, 77.6,
87,6
Прочность 49,7Б, таблица
24 (Приложение
Б)
Поддерживает 49.7C
Изоляторы посыльного (см. Изоляторы)
Металлическая траверса 49.2A2, 52.4E4, 52.5
Металлическая задняя распорка 52.7E, 82.4B
Металлические коробки (см. Коробки)
Металлические опоры 52.4E3
метр, расположен на полюсе
58,6
Метрическая стойка (см. Сервисная и измерительная стойка)
Минимальные ограничивающие условия 14
Второстепенное определение для железной дороги 22.9A
Разное оборудование 52.4D, 58, 88
(См. Также следующие заголовки)
Клеммы кабеля
Конденсаторы
Отключает линию
Переключатели
Металл
Ящики
Метров
ул.
Освещение
Время
Коммутаторы
Traffic
Сигналы
Трансформаторы
Напряжение
Регуляторы
Изменения или исключения 15
Модифицированный грузовой район 43
Модуль упругости проводников Приложение C
Модуль упругости древесины на разрыв 48.1, таблица 5
Самые строгие условия 14
Формование (см. Защитное покрытие)
Многопроводная конструкция с неизолированной нейтралью 54,10
А Б В Г
E F G
H I J K
L M N
O P Q
Р С Т У
В Ш Х Д З
N
Нейтраль, общая (см. Общую нейтраль)
Нейтральные проводники
Классификация
из 33.1
Заземление 33.2, 33.3, 59.4В
Межсетевое соединение 33,3Б, 59,2
Нейтральная сетка Система 59.4B
Новый британский стандарт калибра проводов (NBS) 24.2C
Non-Walkable-Definition 22.4
Нормальные годовые погодные колебания Таблица 1 — Примечание (ддд)
Нормальные условия 35
Нормальный прогиб 23.3A
Уведомление о намерении построить 31,4
Уведомление 15.3
А Б В Г
E F G
H I J K
L M N
O P Q
Р С Т У
В Ш Х Д З
O
Препятствия, допустимые
В
Скалолазание 54.7A3, 54.9F, 54.10F3, 54.11G, 54.12F3, 58.3A3, 84.8E
в рабочем пространстве
54.7B2
Открыть Wire-Definition 20.9D
Overbuilds 22.1B; Рис.2 и 3 (Приложение грамм )
Воздушный провод заземления 61.3A2, 103.2, 113.2
Определение
21,5А
Крепления, крючки и прокладки
56,5, 66,5, 86,5
Из корпусов трансформаторов 56.4F
Заземление 56.6D, 56.6E, 66.6, 86.6C, 86.6D, 92.4
В пространстве для скалолазания 52.8D,
54.7A3, 84.7E
Расположение разделительных изоляторов
56,7, 86,7
Материал 49.6A, 66.3
Защита над контактными проводниками тележки
56.4B2, 86.4B2
Требования к секционированию
56,6, 86,6
Размер 49.6B, 61.3A3a
Прочность 48,4, 49,6С, 66,3, Таблица
24 (Приложение
Б)
Использование 47.2, 56.2, 66.2, 86.2
Конструкции воздушных линий — определение
22.1D
Навсегда Заземленное определение 21.4B
Допустимый прогиб Приложение C, Приложение F
Штыри
Склеивание
53.4
Дуплекс 102.1, 112,1
На мели на переходе 104
Заземление (см. Оборудование
Заземление)
Материал 49.3A
Фактор безопасности 44, таблица 4
Отделение от оборудования
52,7D
Размер 49.3B1, 49.3B2
Помещения, свободно 54.4C2b
Расстояние 37 -Таблица 1-Ячейка 8, 38 -Таблица 2-Ячейка 15
Прочность 49.3C
Аплифт на 101.1, 111.2
Труба (См. Также Трубопровод и Защитный Покрытие )
Пластик (см. Пластик Труба)
Пластиковый багет
Использование
и Приложение 54.6D, 54.6I, 84.6F, рисунок
82 (Приложение
грамм
)
US-образное определение 22.8B
US-образный, заземляющий провод — определение
22,8А
Полюс
Действующий
как распорка 49.1A, 56.2, 66.2, 86.2
Угловая проблема Приложение F
Расстояния от железнодорожных путей 36, Приложение
E
Зазоры для проводников (см. Зазоры для проводов)
Бетон 44, таблица 4, 48.3
Приложение «Проблема мертвой точки»
F
Определение 22.6
Глубина схватывания 49,1C, таблица
6
Размеры, минимальный верх
49.1B
Прибыль 49.1D
Осмотр 31,2
Техническое обслуживание 11, 12.2, 31.1, 35, 44
Маркировка (см. Маркировку)
Металл 52.4E3
Металл Сервис и
Метр 48,6
Невысокая четкость
22.6D
Требования к замене или усилению
44.2
Фактор безопасности 44, таблица 4
Сервис и определение счетчика
22.6E
Установка глубины 49.1C, таблица
6
Сращивание полюсов 22.6В, 49.1, 101.2, 111.3
Сталь (см. Стальные решетчатые опоры)
Сталь, трубчатая 44, таблица 4
Ступени (см. Шаги)
Прочность 48.1, таблица 5, 49.1A
Заглушка усиленная-определение
22.6C
Полиция и Цепи пожарной сигнализации 20.6A, 54.8C1, 84.8D1, 92.2
Бассейн, плавательный-Definition 23.6
Pothead 20.9H, 54.6F
Практичный 22.7, 35, 54.4C1a, 54.4-C1b, 54.4C6, 54.4G, 54.8B, Таблица 10 , 56.2, 56.4D3, 56.7A, 56.7B, 66.2, 84.8C5, 86.2, 86.4D3, 86.7B
Практика, Принято хорошее 13
Цепи частной связи
Приложение
к троллейным пролетам 78,2
Детали конструкции 89,2
Определение 20.6B
На той же руке, что и цепи питания
32,4С, 89,2
Защитное покрытие, подходящее
Приложение
к полюсу 54.6I, 84.6F, рисунок
81 (Приложение
грамм
)
Определение 22.8
Дуглас Фир, 1/2 дюйма. Формование заземляющего провода
22.8A1, рисунок
81 (Приложение
G)
Заземляющий провод из твердой древесины
22.8A1, рисунок
81 (Приложение
G)
Требования к использованию 53.4, 54.6C, 54.6D, 54.6E, 54.8C2, 83.4, 84.6C, 84.6D, 84.6E, 84.8D2
Жесткий пластиковый молдинг в форме США (см. Пластиковый молдинг)
А Б В Г
E F G
H I J K
L M N
O P Q
Р С Т У
В Ш Х Д З
R
Зазоры для проводников стойки
Между
Уровни проводника 54.9E
От полюсов 54.9B1
На шарнирных опорах 92.1А, 92.1Б
Конструкция стойки, низкое напряжение
Скалолазание
Космос 54.9F
Расположение проводов 54.9B2
Материал проводника 54.9C
Расстояние между проводниками и длина пролета
54.9D
Реконструкция
Определение
23,0
Уведомление от 31.4
строк 12.1
Или изменение, комиссионный майский приказ
12,4
Факторы безопасности для 44,1
Регуляторы, Напряжение 58,1
Коэффициент запаса прочности арматуры 44.2
Связанный рычаг с подпружиненным рычагом (см. Также рычаг с кулиской. ) 21.0B
Относительные уровни 32.2, 92.2
Замена
Окружность
Таблицы 25 и 27 полюсов класса F (Приложение D)
Факторы безопасности 44.2
Сопротивление земель 21.4А1, 59.4Б2
Подступенка
распродажи
54.6E, 54.6H, 87.7D
Покрытие 54.6E, 54.6I, 84.6F, 87.7D
Определение 23.1
Клеммы 23.8, 54.6F, 54.7A3
Крыши (См. Вырубки из зданий под различными предметами)
Правила
Применимость
из 11, 12, 31
Исключения или изменения в 15
Предельные условия 14
Назначение 11
Исключительная оговорка 16
Сфера действия 13
Сельский Район-Определение 21.2Б
А Б В Г
E F G
H I J K
L M N
O P Q
Р С Т У
В Ш Х Д З
S
Фактор безопасности
Для
Различные конструкции 44, Таблица 4
Общий 44
Монтаж и реконструкция
44,1
Замена или усиление
44,2
Sag
Дополнительно
Учет температуры 37
Графики прогиба медных проводников Таблицы с 1 по 9 включительно (Приложение
В)
Проводники связи, рекомендуемые
Таблица 24 (Приложение
В)
Определение кажущегося и нормального
23.3, рис. 4 и 5 (Приложение
G)
Для кабелей и мессенджера 57.9, 87.8
Для проводников 54.5, 74.5, 84.5, приложения C и F
Разрешено, дополнительное приложение F
провисания и Напряжение Приложение F
Исключительная статья 16
Сфера действия правил 13
Экраны или подставки 105, 115
Надежно заземленное определение 21.4C
Столб для обслуживания и счетчика
Определение
22.6E
Металлик 48,7
Разрешения на прекращение обслуживания
вверху
Земля 37 -Table1Col. B
Над частной собственностью
54,8B2
Над плавательными бассейнами 54.8B5, 84.8C5
Из Зданий 37 — Таблица 1 — Шкафы 6 и 7, 54.8B4, Таблица
10, 84.8C4
Из кабелей и мессенджеров
54.8C1, рисунок
42
От парней 38 -Таблица 2-Случаи 18 и 19
От линейных проводников 38 — Таблица 2Col.C и E, 54.8C, 84.4D1
От полюсов 38 -Таблица 1-Случаи 8 и 9, 32.3, 54.4D, 54.8D, 84.4D4, 84.8E
Из других сервисных капель
54.8C4, 84.8D4
От Supply Conductors на
Комбинированное оружие 54.8E
На клиренсе 54.8C2, 84.8D2
На удлинителях Pole Top
54.8C3, 84.8D3, рисунок
41 (Приложение
G)
Сервис Капли
Приложение
с чистой нейтралью 49.4C7a, 54,8A
Покрытие, атмосферостойкое
49.4C7a, 54.8A, 84.8A
Определение 23.4
Материал и размер 49.4B, таблица
8, 49.4C7, 54.8A, 84.8A
Многожильный, питание
49.4C7a, 54.8A
Относительные уровни 32.2E, 32.2F
Установка Столбы, глубина 49,1 ° C, стол 6
Прокладки (см. Крепежные детали или посыльные)
Тротуарный анкер 56.7B, 86.7B
Зазоры для знаков 39, таблица 2A
Знак Маркировка Common Neutral 59.3F
Знак, предупреждение 54.4I, 79.4
Сигнальные цепи, железная дорога 20.6C
Сигналы, трафик 58.4, рисунок 584
Размер опор, минимум 49,1B
Место
Скалолазание
(См. Пространство для лазанья)
Работа (см. Работа
Космос)
Space Bolts, Тупик, крышка 54.7A3
Расстояние, штифт 38 -Таблица 2, корпус 15
Расстояние, тупик и подвеска 37 -Таблицы 1 и 2, 63.3
Растяжка для пролетов 21,5A
Зазоры для проводов
вверху
Заземление 37 — Таблица 1 Столбцы A и C
Над РЖД 37 -Таблица 1-Случаи 1 и 2
От проводников 38 -Таблица 2-Случаи с 1 по 7, 19
От оттяжек и пролетных проводов 38 — Таблица 2 — Случаи 1 и 18
Из столбов и конструкций 37 -Таблица 1-Случаи 8 и 9
Под мостами 77.4Б
пролеты
Перекресток,
Длина 103.3, 113,3
Проблема пересечения
Приложение F — Часть 1
Нормальный 103,3, 113,3
Прочность проводников в
49,4C
Сращивание Поляки
Определение 22,6Б
Использование при пересечении линий и конфликтах 101,2
Использование на железнодорожном переезде 111,3
Соединители, проводники
Расположение
из 103.1А, 113.1А
Прочность 49,4С6
Разбрасыватель Кронштейны 54.12D2
Стальные опоры (см. Стальные решетчатые опоры)
Стальные опоры, трубчатые 44, таблица 4
Сталь, конструкционная 48,2
Стальная проволока, характеристики таблицы 21 (Приложение B)
Стальная проволока, покрытая медью Таблица 22 (Приложение Б)
Шаг
поляков
51.7, 81.6, 84.7E, 91.3
Башни 61,7
Штамм Изоляторы (см. Изоляторы)
Уличное освещение
Схема
Напряжение 58.5A
Классификация цепей питания
20.6D
Очистка от металлических ящиков
58.5B3a, 92.1F5
Зазоры 58.5B, 92.1F5
Декоративное (см. Декоративное уличное освещение)
Отводные провода 54.6A, 58.5B3a, 92.1F5
Исключения 58.5F
Требования 58.5
улица Железная дорога-определение 22.9C
Прочность материалов, предельная
Бетон,
Под напряжением
48.3B
Бетон, армированный 48.3A
Проводники 48,5, таблицы 17–23 (Приложение
Б)
Steel Strand 48.5, Стол
24 (Приложение
Б)
Конструкционная сталь 48,2
Фундаменты башни или столба
48,6
Дерево 48.1, Стол 5
Силы Требования
Все
Линии раздела IV
Детальный 49
Продольные нагрузки 47
Поперечные нагрузки 45, 45.1
Фундаменты башни или столба
48,6
Окончательный 48
Вертикальные нагрузки 46
Строгий Состояние, большая часть 14
Конструкционные материалы, кроме древесины 48,2
Конструкционная сталь 48,2
Стойка, опора, действующая как 49,1A, 45,2, 66,2, 86,2
Усиленная опора 22,6C, 101,2, 111,3
Подстанция 61,6B
Цепи питания
распродажи
(См. Дирижер
Зазоры)
Требования к конструкции
12.1, 31.1, 40, 50, 60, 70, 80, 90, 100, 110
Определение классов 20.6D
Относительные уровни 32,2, 92,2
Подвеска Изоляторы (см. Также Изоляторы ) 63
Плавательный бассейн, определение 23,6
Выключатели, вырезы, разъединители
Конденсатор
58,1
Заземление 52,7
Индикация положения 58.3B
Провода подводящие 58,1, 58,3
Линия 58.3
Рабочий механизм 58.3
Регулятор 58.1
Уличное освещение 58,4
Время 58,6
Трансформатор 58.1, 58.2
А Б В Г
E F G
H I J K
L M N
O P Q
Р С Т У
В Ш Х Д З
T
Таблицы, список
Тег, общий Нейтраль 59,3F
Отводы, провода (см. Провода)
Телефонные приборы на опорах или конструкциях 89.3
Температура 43, 43,1C, 43,2C
Напряжение
Максимум
Допустимое определение 23.7A
Максимальное рабочее разрешение
23,7Б
Напряжения и провалы Приложение F
Терминал-Определение 23,8
В Рабочее пространство 54.7B2
Терминалы (См. Riser Клеммы и кабель Клеммы)
Испытания (см. Испытания изолятора)
Термическое расширение проводников Приложение C
Третий рельс, требования к 79
— Определение проезжей части 24.0
Сквозные болты, покрытие трансформатора 58.1B3
Проволока стяжка 49.3A2, 49.3B3, таблица 7, 49,3Clb , 49.3C2
Таймеры (см. Переключатели)
Tower
распродажи
от железнодорожных путей 36, приложение Е
Переходы 60
Определение линий 22.1-C
Материалы 61.3A1
Маркировка 61.6A
Фактор безопасности 44, таблица 4
Шаг 61,7
Прочность 48.2
Vтип 22.1-C
Ytype 22.1-C
Трафик Сигналы 58.4, рисунок 584
Трансформаторы
Автотрансформаторы
24,1
Зазоры по корпусу 58.1B
Заземление корпуса или соединение
58.2A3
Вырезы и разъединители 58,3
Заземление обмоток 58.2A
Изоляционный 89.2
Провода и провод шины, зазоры над землей
58.1B, Таблица
581
Платформы 58.1Б, таблица
581
Положение на полюсе 58.1A1, 58.2A3
Крышки для сквозных болтов в пространстве для лазания
58.1B3
транспозиция, Точки 38
Транспонирующие провода 21,9
Требования к поперечной прочности 45
Обрезка деревьев 35, Приложение E
Треугольная конфигурация проводников на изоляторах, установленных на столб
53.4A1, 54.4C1c, 54.4D8a, 54.11B2
Тележка
Вложения
полякам 78.3B, 78.3C
Крепления к пролетам
77,5, 78,2, 78,3 А
Магистрали 77, 77.6B
Кронштейны или кронштейны
77.6C
Контактный проводник, материал и прочность
74,3
Зазоры для контактных проводников
74,4
Детали строительства 70
Кабели эквалайзера 74.4G3
Питатели 74.4Г3, 77.6А4, 77.6А5, 77.6С3, 78.1
Подъемные пролеты 77.6C2, 77.6C3
Посланники 77, 77.6D
Вытяжные 77.6B
Провода пролетные 77.6A
Ферма Ребята 21.5B, 56.7C, 86.7C, рисунок 51, (Приложение G)
Стальная трубчатая опора, коэффициент безопасности 44, таблица 4
Два или более условий 42,1
Две или более системы, устройства 32,1
А Б В Г
E F G
H I J K
L M N
O P Q
Р С Т У
В Ш Х Д З
U
Пластиковая формованная деталь в форме США (см. Пластмассовую формовку)
Предельная прочность материалов 48, Приложение F
Подземное распределение частично (см. Частично под землей)
Незащищенные проводники — определение 20.9E
Подъем на фундаменте 48,6
Подъем на штыре 101.1, 111,2
Городской район — Определение 21,2А
А Б В Г
E F G
H I J K
L M N
O P Q
Р С Т У
В Ш Х Д З
V
Опорные конструкции VType 22.1C
Свободные места для выводов 54.4C2b, 54.8E2b
Вертикальные проводники — определения 20.9F
Подступенки
(См. Стояки)
Пробежки (см. Пробежки)
Незащищенный 54.4D9, 54.6A
Вертикальная конфигурация 54.4C1c, 54.4C4, 54.4D6, 54.7A1, 54.9
Вкл. Изоляторы на опорах 54.11E, 54.11F
Вертикальное крепление Изоляторы — определение 54.11A
Требования к вертикальной прочности 46
Определение напряжения или вольт 24.1
Проводники связи напряжения 20.6A, 20.6C
Классификация напряжения — Цепи питания 20.6-D, 20.6E
Регуляторы напряжения 58,1
А Б В Г
E F G
H I J K
L M N
O P Q
Р С Т У
В Ш Х Д З
W
Стена, барьер 51.6B2, 61.6B2
Предупреждающие знаки
Мосты,
Виадуки 54.4I
Высокое напряжение (см. Маркировку, высокое
Напряжение
)
Для решетчатых стальных опор (см. Маркировку
)
Третий рельс 79.4
Всепогодный Медная проволока, характеристики и таблицы нагрузок 19 и 20 (Приложение B )
Атмосферостойкое или атмосферостойкое покрытие
Нет
Подходит для изоляции 20.9G
Проводники полиции и пожарной сигнализации
92,2
Проводники для стойки 54.9C
Отводы обслуживания 54,8А, 84,8А
Погода Рекорды 43
Изменения погоды, нормальные ежегодные Таблица 1 — Примечание (ддд)
Ветровая нагрузка 43.1A, 43.2A, 49.1C
Провод
Алюминий,
Стальной армированный стол 23 (Приложение
Б)
Медные столы от 17 до 20, вкл. (Приложение B)
Стальной стол с медным покрытием 22 (Приложение
Б)
Коррозионностойкий 49.4А
Калибр-провод 24,2
Земля (см. Земля
Провода)
Таблица чугуна и стали 21 (Приложение
Б)
Молниезащита 61.3A2
Свинец (см.
Провода)
Надземный 61.3A2
Провисания (см. Провисание)
Напряжение (см. Напряжение)
Галстук (см. Галстук
Провода)
Транспонирование 21,9
Дерево
Блок
Защита 54.6F5
Багет 22.8, рисунок
81 (Приложение
грамм
)
Поляки, необходимость лечения
49.1B
Крепость 48,1, Таблица 5
Рабочий Космос
Допустимое
Препятствия в 54.4D6b, 54.7B2, 58.1B1, 58.3
Определение 24.3
Габаритные размеры 54.7B1
Рабочий Напряжение (см. Напряжение)
А Б В Г
E F G
H I J K
L M N
O P Q
Р С Т У
В Ш Х Д З
Х
А Б В Г
E F G
H I J K
L M N
O P Q
Р С Т У
В Ш Х Д З
Y
Y Типовые опорные конструкции 22.1С
Предел текучести стали 48,2
А Б В Г
E F G
H I J K
L M N
O P Q
Р С Т У
В Ш Х Д З
Z
А Б В Г
E F G
H I J K
L M N
O P Q
Р С Т У
В Ш Х Д З
Vishay ThermaWickTM SMD Thermal Jumper Chip отводит тепло от электрически изолированных компонентов — Блог о пассивных компонентах
Vishay Intertechnology, Inc.представила микросхему термоперемычки для поверхностного монтажа ThermaWick TM THJP. Устройство Vishay Dale Thin Film позволяет конструкторам передавать тепло от электрически изолированных компонентов, обеспечивая теплопроводный путь к заземляющей пластине или общему радиатору.
Обладая подложкой из нитрида алюминия с высокой теплопроводностью 170 Вт / м ° K, выпущенный сегодня чип способен снизить температуру подключенных компонентов более чем на 25%. Это сокращение позволяет разработчикам увеличить мощность этих устройств или продлить срок их службы в существующих условиях эксплуатации, сохраняя при этом электрическую изоляцию каждого компонента.За счет защиты соседних устройств от тепловых нагрузок повышается общая надежность схемы.
Низкая емкость THJP до 0,07 пФ делает его отличным выбором для высокочастотных и тепловых лестничных приложений. Теплопроводник будет использоваться в источниках питания и преобразователях; Усилители RF; синтезаторы; игольчатые и лазерные диоды; и фильтры для AMS, промышленных и телекоммуникационных приложений.
Устройство доступно в шести размерах корпуса от 0603 до 2512, а также возможны индивидуальные размеры.Корпуса 0612 и 1225 имеют длинные боковые заделки для дополнительной теплопередачи. Термоперемычки доступны с выводами с обмоткой без свинца (Pb) и без свинца.
Таблица спецификаций устройства:
| Размер корпуса | Тепловое сопротивление ( ° C / W) | Теплопроводность (мВт / ° C) | Емкость (пФ) | ||||||
| 0603 | 14 | 70 | 0.07 | ||||||
| 0612 | 4 | 259 | 0,26 | ||||||
| 0805 | 13 | 77 | 0,15 | ||||||
| 1206 | 4 | 259 | 0,26 | ||||||
| 2512 | 15 | 65 | 0,07 |
Образцы и производственные количества ThermaWick TM THJP серии будут доступны в 2020 году.

038.1-1
038.1-1
038.1-1
, кг