самодельные и распашные, своими руками
При строительстве ограждений и заборов для дачи со временем возникает необходимость в монтаже ворот. Разновидностей таких конструкций существует достаточно много, но самыми популярными на сегодня являются распашные ворота. Если устанавливать ворота своими руками, перед закупкой всех необходимых материалов требуется определиться с типом, их формой и найти нужные чертежи.
Особенности распашных ворот
Практически каждый дачный участок нуждается в таких сооружениях, как ворота и забор. На сегодня существует много технологий, с помощью которых ворота можно сделать уникальными. В любой конструкции допускается выбрать направление, в котором они будут открываться внутрь или наружу. Само производство распашных конструкций не является сложным процессом.
Как правило, большинство распашных ворот имеют несколько отличающих черт
Функциональные и компактные.- Удобные в эксплуатации.
- Упрощены отсутствием роликов и дополнительных балок.
- Поставить ворота можно любых желаемых размеров.
- Применяются различные материалы для изготовления.
- Также используются многие детали декорирования и украшения.
Разновидности раздвижных конструкций
Перед началом работ по изготовлению такого сооружения необходимо определиться с конструкцией. Вид нужно выбирать в зависимости от частоты их эксплуатации. Металлические ворота бывают нескольких типов. Для начала требуется ознакомиться со всеми вариантами для принятия правильного решения.
Металлические ворота бывают таких видов:
Одностворчатые. Подобный тип не пользуется большой популярностью. Выглядят они как одно цельное полотно. Для долгого и качественного эксплуатирования столбы в таких конструкциях нужно тщательно укреплять, и это, само собой, будет много стоить. В случае установки одностворчатых ворот для гаража нужно вмонтировать металлическую раму с укреплёнными петлями.- Двустворчатые. Этот вариант самый популярный среди владельцев дачных участков, так как такие конструкции очень удобные. Ещё одним фактором их популярности является возможность собственноручного производства. Сделать их несложно по той причине, что сооружение включает в себя два одинаковых полотна. Если сравнивать с одностворчатыми воротами, то эта конструкция занимает намного меньше пространства на участке.
- Двустворчатые с калиткой. Для повседневного пользования подобные ворота идеальные, особенно если ходить много пешком, а не проезжать на автомобиле. К тому же они изготавливаются так же, как и обычные двустворчатые ворота. Различие лишь в том, что на одной из сторон конструкции потребуется дополнительно установить опорную балку для монтажа калитки. При монтаже такого типа ворот на гараж устанавливается врезная калитка. В этом случае вырезается необходимое пространство в одной из сторон ворот и крепится дверь.
Если устанавливать кованные конструкции, то необходимо понимать, что они больше исполняют роль декорации, чем прямую функцию. В случае монтажа закрытых сооружений, можно сверху накладывать кованные элементы. Если устанавливать кованные конструкции на гараж, то лучше использовать закрытый тип с кованными элементами.
При установке кованных или другого вида сооружений для гаража, желательно их делать закрытыми или утеплять. Таким образом, можно защитить автомобиль от коррозии, перепадов температуры и погодных явлений.

Инструкция по самостоятельной сборке
Если придерживаться инструкции и чертежа, тогда можно сделать распашные ворота своими руками. Но результат будет ожидаемым, если поочерёдно исполнять все этапы производства и с ответственностью относится к работе. Когда такой проект изготовить самому не получается или нет достаточного опыта, то его можно найти в интернете. В качестве основы конструкции будет использоваться металлическая рама, которая крепится во входном проёме.
Если сооружение строится для собственного двора, и будет надобность постоянного передвижения людей, то желательно также вмонтировать калитку. В таком случае необходимо установить крепкие опоры для того, чтобы они могли выдержать увеличенную массу конструкции.
Для установления прочных опор необходимо подготовить такие материалы:
- водяной уровень и рулетка;
- три металлические трубы по 10 сантиметров в диаметре;
- лопата;
- в случае необходимости — облицовочный кирпич для опорных столбов;
- материал для изготовления бетона: песок, цемент, щебень вода;
- отвес.
Установка опорных столбов
Возведение опор является важным этапом при строительстве конструкции. В случае их неправильной установки последующие работы невозможно будет выполнить. Если столбы сделать не по уровню, металлическая часть не сможет «сесть» на своё место.
Для изготовления опор необходимо следовать таким действиям:
- нужно измерить проём;
- потом поставить метки, где будут находиться опоры;
- в выбранном месте выкопать ямы для столбов глубиной 70−100 сантиметров;
- диаметр труб выбирается индивидуально, в зависимости от схемы конструкции, её веса и всех нюансов;
- засыпать 10 сантиметров щебня в ямы, установить трубы и выровнять их по уровню;
- приготовить заранее бетон и залить ямы;
- чтобы выставить столбы и надёжно закрепить, перед заливкой бетона следует зафиксировать опору кирпичами в яме, а потом продолжать работы;
- установка столбов завершена, для полного застывания бетона необходимо подождать неделю, после чего приступать к следующему этапу.
Если конструкция имеет более чем 2 метра в высоту, то ямы нужно делать не менее 1 метра в глубину, а диаметр на 10 сантиметров больше толщины трубы.
Для сооружения рамы самодельных ворот необходимо подготовить такие материалы:
- 2−3-миллиметровый металлический лист;
- металлопрофиль, угольник и трубы;
- рулетка и водяной уровень;
- сварка;
- металлические петли.
В том случае, если конструкция будет изготавливаться для гаража, то предварительно необходимо соорудить металлическую раму для монтажа во входной проём. Сделать можно из металлического угольника. Он может быть как прямоугольным, так и квадратным.
Также для гаража лучше такую раму изготавливать в двух экземплярах. Один устанавливается с внешней стороны, а второй — снаружи. Они свариваются между собой металлическими полосками.
Изготовление основной части
Каркас — это её главный компонент. От его строительства зависит внешний вид ворот. Для выполнения створок можно использовать разные материалы, но самые популярные это — металлические трубы, профиль и листы.

Процесс происходит следующим образом:
- На ровную поверхность необходимо выложить заранее приготовленную трубу или металлопрофиль согласно выбранной схеме-чертежу. После этого свариваем конструкцию.
- Чтобы сооружение было прочным, необходимо приварить диагональные балки.
- Когда каркас полностью сварен, можно приступать к его обшивке и креплению металлических листов.
- Толщина не должна быть больше 2 миллиметров, так как это увеличит вес конструкции и нужно будет усиливать опорные стойки.
- После тщательной обшивки каркаса металлическими листами, необходимо установить петли. Одну часть приварить к воротам, а вторую — к опорной стойке.
- На завершающем этапе устанавливается дверной замок и калитка, которая монтируется так же, как и основная часть конструкции.
- Красить ворота можно как на земле, так и на петлях, разницы особой нет. Только нужно учесть, что покраска в подвешенном состоянии может оставить за собой потёки и наплывы. Поэтому необходимо тщательно выполнять этот этап работы.
Преимущества автоматических ворот
Каждый человек хочет получать от жизни много комфорта. Это относится и к распашным воротам. На сегодняшний день набирают популярности технологии, которые позволяют сделать процесс открывания конструкции автоматическим. И в таких ноу-хау есть много плюсов. К примеру, если хозяин дачи куда-то торопится, то нет необходимости в трате времени на ручное открытие ворот, а после выезда из дачного участка — также и закрытии. Тем более если на улице дождь, автоматическая конструкция очень удобна, так как позволяет избежать промокания.
Преимущества у такого сооружения:
- Универсальность.
- Долговечность.
- Качественный механизм очень простой и не нуждается в особом уходе.
- Скорость открывания конструкции до 15 секунд.
Но не стоит забывать и о недостатках:
- Если на пути открывания ворот будет находиться какая-то преграда, то автоматика не остановится и при столкновении заклинит.
- Для избежания поломки необходимо постоянно смотреть, чтобы на пути не было никаких посторонних предметов.
Кроме этого, следует помнить о плохой практике эксплуатации автоматики. Она у пользователей часто заклинивает. Хотя производители говорят, что механизм прочный и дают на него гарантию, ничего вечно работать не будет. С другой стороны, если регулярно проводить профилактику поломок, такая система прослужит долго.
В том случае, когда автоматика заклинила, не нужно пытаться открыть ворота в ручном режиме. Лучше вернуть их в обратную сторону и снова попытаться открыть. Тогда система может заработать. Хотя не во всех случаях это решит образовавшуюся сложность.
Зачастую домовладельцам нужно обращаться за помощью к специалистам. Поэтому не стоит бояться приобретать автоматику и отказываться от благ цивилизации. Всегда можно починить конструкцию и пользовать дальше.
Процедура монтажа автоматических ворот трудозатратная. Необходимо иметь опыт, точность и аккуратность выполнения работ. В том случае, когда нет соответствующей подготовки, лучше доверить проведение такой процедуры специалистам, которые сделают всё быстро и качественно. Но если опыт хотя бы похожих работ имеется, то выполнить такое непростое задание можно самостоятельно.
Если есть желание и умение пользоваться инструкциями, читать чертёж, то можно самостоятельно изготовить и автоматику. Для любителей помастерить такое дело будет настоящим увлечением. Особенно актуально это для людей, у которых небольшой бюджет на постройку. Как основу передвижного механизма можно использовать детали спутниковой антенны. При правильном подходе он полностью заменит купленный.
sotka.guru
фото дизайнерских решений и этапы производства
Компания «Русская Ограда». Мы занимаемся установкой заборов, ворот (в том числе автоматических), установкой столбов и линий ЛЭП по всей Москве и Московской области. Звоните: +7 (495) 762-97-99 c 09:00 до 21:00 ежедневно.
Двуставневые ворота пользуются большой популярностью среди владельцев дачных участков. Многие умельцы предпочитают делать распашные ворота своими руками, фото которых, впоследствии, они выкладывают на специализированных форумах и сайтах в Интернете, чтобы помочь таким же как они с выбором стиля и дизайна. При этом мастера не только экономят свои деньги, но и проявляют творческие наклонности и идеи.

Стильные ворота
Необходимые инструменты
Для того, что бы приступить к работе, понадобятся определенные инструменты:
- Для установки столбов пригодятся лопата, кирка, уровень, мастерок и т.д.
- Для работы с конструкциями из металла следует использовать болгарку.
- При монтаже ворот и собирании каркаса необходимо использовать сварочный аппарат.
- Для того чтобы покрасить конструкцию, лучше всего использовать кисточки либо краскопульт.
Если хозяину участка не хватает опыта при изготовлении ворот, он может привлечь специалистов для определенных работ (сборка каркаса конструкции, формирование столбов и фундамента). Это поможет избежать некачественно выполненной работы и затрат на ее исправление.

Инструменты для монтажа
Материалы для конструкции
Для установки распашных ворот следует подготовить определенные материалы:
- Для зашивки ворот используется профнастил. Он является одним из популярных материалов, который используют для обшивки створок. Основными отличиями его являются низкий вес, приемлемый внешний вид, большой выбор спектра структур и рельефа. Также для этого используется поликарбонат, дерево или кованые элементы. При выборе обшивки следует учитывать будущий вес конструкции и ее парусность, а также особенности его автоматизации в будущем.
- Для каркаса и опор используют металлические трубы разных размеров. Также можно использовать дерево, кирпич и т.д.
Если владелец дачного участка решит установить распашные ворота своими руками, схема конструкции которых должны быть готовы заранее, он должен осознавать уровень своих навыков работы с инструментами и материалами. Поняв свой уровень, он вполне может прибегнуть к помощи специалистов.

Структура профнастила
Этапы производства
Подготовка столбов
При подготовке опор лучше всего использовать профильную металлическую трубу 100*100, бетонные столбы или деревянные брусья. Глубина установки столбов должна превышать уровень промерзания грунта (приблизительно один метр). Смесь можно подготовить, соединив речной песок, щебень, и цемент. Перед установкой ворот столбы должны простоять без нагрузок 7-21 день, пока бетонная смесь не засохнет.
Большинство столбов изготавливаются из кирпича или камня. Для них необходимо выкопать фундамент глубиной 1 метр. Для более долговечного использования необходимо их укрепить при помощи арматуры. В середину столба вставляется труба, диаметр которой не меньше десяти сантиметров. Для того чтобы установить стойки для прикрепления петель, следует вывести закладные, используя арматуру или стальные уголки.

Установка столбов
Труба должна быть подготовлена для покраски. В начале ее необходимо зачистить от ржавчины, используя болгарку с металлической щеткой. После этого ее следует обезжирить растворителем и покрыть выбранной краской (лучше всего использовать алкидную эмаль для работ по металлу на внешних поверхностях).
Изготовление каркаса
Для формирования каркаса створок следует взять профильную трубу размером 50*50 мм (или 60*30) и соединить с помощью сварки. Стыки следует закрывать дополнительными пластинами, это поможет избежать попадания воды в трубу. Как только внешний каркас готов, можно приступить к привариванию внутреннего каркаса (для этого используют трубы размером 40*20мм).
Если зашивка будет с двух сторон, то внутренний каркас следует установить посередине, а если односторонняя, то внутренний каркас можно сдвинуть к одной из сторон. Обшивать каркас лучше профнастилом, поликарбонатом, деревом или стальным листом. Для крепления лучше всего использовать саморезы или стальные заклепки (алюминиевые заклепки более мягкие, и поэтому служат меньше времени).
Петли для раздвижных конструкций лучше выбирать с подшипником, они легче и тише работают. Как только ворота установлены, можно приступить к креплению автоматики.

Сборка конструкции
Факторы влияния на автоматический привод
При монтаже двухстворчатого портала следует учитывать, что в будущем владелец скорее всего захочет установить автоматические редукторы, это поможет избежать проблем с переделкой столбов и створок. При подготовке необходимо учитывать направление открывания ворот (внутрь или наружу).
Вес створок конструкции
Вес — один из главнейших факторов воздействия на автоматическую систему. Важным является то, какой материал используется для изготовления каркаса ставень и его обшивки.

Профнастил
Металлические конструкции, обшитые профнастилом, прослужат на много дольше, по сравнению с деревянным каркасом, так как срок эксплуатации последнего забора обычно не превышает десяти лет.
Парусность
Многие дачники предпочитают устанавливать обшитые наглухо двухстворчатые порталы на свои участки, что увеличивает уровень влияния ветровой нагрузки на систему автоматизации.

Ворота с минимальной парусностью
Чем больше площадь створок, тем больше парусность. Соответственно для ворот разных размеров необходимы разные распашные двигатели.
Легкость хода створки
Если правильно установить и отрегулировать ворота, то они должны открываться одним пальцем. Сложности с работой могут быть если перекосило столбы, створки, петли крепления или петли плохо смазали.
Трудности при открывании портала сильно влияют на работу электропривода. Сложные погодные условия (например, низкая температура, снег и иней), также влияют на сопротивление.
Типы приводов
Технологию распашных ворот можно разделить на два типа: линейные и рычажные электрические редукторы. Линейные редукторы надежнее и дешевле, но у них есть один недостаток (при условии, что створки ворот открываются внутрь).

Установка привода в подготовленной нише
Важно! Расстояние от центра петли до поверхности крепления привода должно быть не более 6 сантиметров. В сравнении с ними, у рычажный моторов это ограничение больше – до 20-40 сантиметров.

Привод линейного типа
Установить параллельные электрические моторы можно двумя способами:
- Самой большой популярностью пользуются открывающиеся наружу створки портала. Но при такой эксплуатации монтаж редукторов уменьшит проем на 15 см с двух сторон.
- Открывание створок внутрь.
Привод рычажного типа
В большинстве случаев толщина кирпичных опор полтора кирпича, а петля крепится в середине столба. Установка линейных редукторов в таких условиях затруднительна, так как требует или обустройства ниши в столбе, или использование более дорогих рычажных приводов.
Если владелец участка заранее не планировал установить автоматику, он должен понимать, что после установки привода внешний вид забор может слегка измениться. Если установка автоматической системы заранее запланирована, то ее установка не приведет к значительным финансовым затратам и эстетическим изменениям.
Важно! Ворота, которые открываются наружу, более подготовлены к установке линейных приводов.
Монтаж двустворчатых порталов
rusograda.ru
Как сделать распашные ворота своими руками
Считается, что распашные ворота являются самым древним типом ворот. Их существование измеряется тысячелетиями, но принцип устройства остается постоянным, а изменения касаются лишь материалов изготовления и конструкции.
Используют их практически везде: на предприятиях, дачах, в частных домах. Доступность материалов, необходимых для их изготовления, надежность и простота конструкции объясняют столь широкое распространение ворот этого типа. Ворота могут стать и украшением вашего участка, если вам удастся сделать их зашивку красивой. Зашивка же может выполняться из профнастила, дерева, металлического листа, ковки и т.д.
К достоинствам распашных ворот следует отнести:
- простоту конструкции
- низкую стоимость изготовления
- универсальность
- продолжительный срок службы
- почти полное отсутствие необходимости обслуживания.
Однако у этих ворот имеются и недостатки:
- зимой, чтобы их открыть, требуется расчистка снега
- для створок ворот необходимо значительное свободное пространство, чтобы они свободно открывались
Приступаем к изготовлению — этапы работ
Первое, о чем нужно позаботиться, — это несущие столбы. Их необходимо изготовить, а затем установить. Для распашных ворот могут применяться столбы из профильной металлической трубы диаметром не менее 100 мм, из деревянного бруса, изготовленного из твердых пород, из бетона. Устанавливая такие столбы, их необходимо забетонировать на глубину 1 м и более.

Если столбы строятся из кирпичей, то их фундамент должен быть забетонирован на такую же глубину. Сами столбы и их основание должны быть армированы. Из столбов внутрь проема должна быть выпущена арматура или установлен уголок, которые будут необходимы для крепления воротных стоек.
Бетон для бетонирования столбов изготавливается на основе смеси цемента, щебня и речного песка в пропорции 1:4. Чтобы легче было работать, щебень лучше всего применять мелкой фракции.
Залив несущий столб, дать ему выстояться 7 или более дней для того, чтобы бетон хорошо схватился.
В ожидании застывания бетона можно заняться изготовлением полотна ворот. Прежде всего, следует подготовить трубы для изготовления рамы. Их необходимо очистить от коррозии и грязи, обезжирить с помощью растворителя или бензина и нанести слой антикоррозийной грунтовки. Когда трубы готовы, раму необходимо сварить в виде прямоугольника или квадрата. Для обеспечения двусторонней зашивки в средней части рамы вваривается дополнительная труба заподлицо с основной. Зашлифовав сварочные швы, каркас ворот необходимо загрунтовать и покрасить.

После высыхания краски следует начать зашивку полотна ворот. Выбор материала зашивки и порядок зашивки – дело очень индивидуальное и зависит в основном от вкуса хозяина.
Следующий этап – это подвеска ворот. Если опорные столбы металлические, то воротные петли привариваются к самому столбу. Если столбы каменные или кирпичные, то к ним необходимо прикрепить с помощью дюбелей металлическую стойку. И уже к этой стойке с помощью сварки крепятся петли.
Если вы сделаете распашные ворота своими руками, то они обойдутся для вас значительно дешевле. Если вы умеете делать основные слесарные операции и если все необходимые материалы имеются под рукой, то изготовление распашных ворот займет два или три дня.
masterim.guru
Самодельные сдвижные ворота своими руками, особенности конструкций
Загрузка…
Сдвижные ворота изготавливаются по сложной конструкции, поэтому продолжительное время их ставили только в промышленных зданиях. Застройщики стали их использовать только после появления новых технологий и большого ассортимента комплектующих. В настоящее время раздвижные ворота можно установить на своем загородном участке самостоятельно.
Конструкция сдвижных ворот
Сдвижные ворота состоят из дверной панели, которая передвигается по роликам. По конструкции они делятся на несколько видов: подвесные, консольные и откатные по рельсу.
1. Подвесные сдвижные ворота состоят из балки, которая установлена на стоящие столбы с обеих сторон ворот. По строению конструкция похожа на букву «П». Края загнуты внутрь. Панель висит на расположенных внутри роликах, по которым она перемещается. Такую сдвижную конструкцию не каждый устанавливает на своем участке, из-за балки, которая не позволяет проехать большому транспортному средству.
2. Консольная конструкция панелей состоит из балки. По строению она напоминает П-образную форму, один конец которой висит в воздухе, второй закреплен. Внутри расположены ступеньки, для перемещения роликов. Вес дверной панели переходит на балку через ролики. Балка может располагаться внизу, верху или посередине.
3. Для откатных ворот на рельсах в землю устанавливается рельс, а к нижней части панели ворот прикрепляют ролики. Эта самая легкая и простая конструкция. Панель передвигается по направляющей. Их недостаток в том, что ролики с рельсами постоянно придется очищать от листьев, снега и прочей грязи. Но в такой конструкции есть много плюсов: обладая компактностью, во время открытия панель ворот занимает не больше места проема. Конструкция изготовляется из мощного каркаса и прочной обшивки, что позволяет противостоять сильным ударам. Створка не провисает, поэтому подходит для установки в проемах до 6 метров.
Изготовление консольных откатных ворот без автоматики
Конструкция консольных ворот является самой дорогой из всех, но ее достоинство в том, что балка не располагается над проездом, ворота занимают мало места при открывании. Весь комплект запчастей для ворот покупают в фирме, он состоит из:
- Улавливателя концевых роликов и самих роликов;
- Направляющей балки;
- Подставки;
- Роликовой опоры.
Чтобы определить сколько покупать материала, заранее составляется схема и чертежи. С их помощью рассчитывается вес панели ворот, ее размер, тип обшивки, материал каркаса.
Установка самодельных откатных ворот начинается с укладки фундамента с металлическими столбами, на которые крепится консольная балка. Чтобы нагрузку от панели компенсировать, фундамент заливают на длину технического выноса (вдоль забора перед столбами). Необходимый размер фундамента рассчитывается в зависимости от длины консольной балки и закладывается по типу ленточного. Под него вырывают котлован глубиной ниже промерзания грунта. В котлован устанавливают стойки и укладывают армированные опоры. Опоры предназначены для пластин с роликами. К стойкам прикрепляют верхние ролики, задача которых держать панель и не позволять ей раскачиваться.
Фундамент
Рассчитать размер фундамента очень просто. Его длина составляет половину ширины проезда. К примеру, при ширине проезда 4 метра, длина фундамент закладывается 2 метра. Его ширина составляет от 40 до 50 см.
Также рекомендуем прочитать:
Котлован выкапывают ниже глубины промерзания грунта на 15 см. В эту часть фундамента устанавливают арматуру, к ней приваривают швеллер, затем бетонируют. Швеллер устанавливается на один уровень с уровнем грунта. Можно воспользоваться более простым и быстрым способом, прикрутив в грунт три винтовых сваи из металла, к которым приваривается швеллер. Такой вариант менее надежный, но более дешевый по стоимости. Если работа проделана правильно, то площадка получится ровной.
Несущая рама
Рама для ворот изготовляется по схеме из металлических труб диаметром до 60 мм. Используя болгарку или шлифовальную машинку, трубы очищают от ржавчины. Затем обезжиривают и грунтуют. Трубы приваривают друг к другу создавая раму. Из труб диаметром 20 мм делают обрешетку и прикрепляют ее к раме. На обрешетку будет делаться обшивка. Используя саморезы или заклепки, панель соединяют с обшивкой.
Обрешетку внутри рамы устанавливают, так как будет происходить обшивка ворот. Если обшивка планируется двухсторонняя, то обрешетку ставят в центре рамы, а при односторонней — на краю.
Чтобы конструкция была максимально прочной сварные швы должны располагаться на 25 см друг от друга. Когда работа сделана – швы выравнивают болгаркой. Затем панель грунтуют и красят. Обшивать панель ворот начинают после высыхания краски.
Обшивка
Сэндвич-панели и профнастил, являются бюджетным вариантом обшивки каркаса. Можно использовать дерево или металлические листы. Для предотвращения появления плесени и различных насекомых дерево покрывают септиком. После этого закрепляют внизу и вверху саморезами. Чтобы профлисты и металл не покрылись коррозией, их обезжиривают и покрывают грунтовкой. К каркасу прикрепляют саморезами или заклепками.
Как закрепить роликовые опоры?
Довольно часто фундамент дает усадку, поэтому нельзя платформы с роликами приваривать сразу к закладному швеллеру. Если произойдет хоть малейшее смещение, ворота открываться не будут, а приваренную платформу корректировать сложно. Придется все срезать, это долго, и нет гарантии в положительном результате. Поэтому механизм откатных ворот своими руками делается по правилам. К швеллеру приваривают шпильки, а платформы с роликами крепят на болтовые соединения, которые устанавливаются на шпильки.
Важно знать! Покупая роликовые платформы, внимательно рассмотрите сами ролики и их каретки. Ролики должны располагаться по четыре штуки в два ряда и быть с морозостойкой смазкой. Платформа, к которой они крепятся должна быть изготовлена из литой стали, покрытой защитной смазкой.
Установка направляющих
Перед установкой нужно примерить направляющие. Направляющие, нижние ролики и подшипники ставят в положение «открыто». Верхнюю направляющую устанавливают на ролики, после этого ролики выравнивают по уровню. Затем раму ворот монтируют на ролики и опять выравнивают по уровню. Если все сделано ровно платформа приваривается к фундаменту сваркой. Верхняя направляющая сваривается с металлическими столбами. Для кирпичных и деревянных столбов применяют закладные из арматуры или анкера.
Монтаж механизма верхних роликов и нижнего уловителя
Направляющую балку можно заменить вертикальными направляющими роликами. Их прикрепляют болтами на П-образном профиле. Благодаря им ворота не будут качаться, а высокие автомобили спокойно смогут проезжать.
Чтобы освободить ролики от нагрузки на фундамент приваривается нижний уловитель. Панель, будет заходить в него создавая при этом дополнительную точку опоры.
Автоматизация откатных ворот
Автоматика для изготовления выдвижных ворот с электроприводом подбирается в зависимости от веса и размера конструкции. В комплект входит: блок управления и пульт ДУ, сигнальная лампа и электропривод, элементы безопасности, зубчатая рейка. Чтобы створка плавно ходила, а система автоматики проработала долго, лучше для подключения вызвать специалиста. Но если вы решили сделать это самостоятельно, то следует придерживаться следующего порядка:
- Первым делом следует выбрать место для размещения привода.
- Привод прикручивается болтами между каретками на швеллер.
- Открывают ворота.
- Рейку с зубцами закрепляют посередине привода.
- Затем устанавливают концевые выключатели и только потом можно подключать привод.
- Подключают сигнальную лампу и монтируют элементы безопасности.
Можно приобрести автоматику с дополнительными функциями: регулятор скорости открывания, температурный контроль, дополнительное питание и фотоэлементы.
Советы по установке самодельных откатных ворот своими руками
Каждый сможет изготовить самодельные раздвижные ворота. Если предварительно изучить информацию по монтажу и придерживаться советов специалистов, то можно создать необычные самодельные ворота.
- Чертежи. Чтобы все монтажные работы по установке выдвижных ворот своими руками были выполнены быстро и правильно, особое внимание уделяется схемам и чертежам. Результат: конструкция, работающая без проблем благодаря точному соблюдению всех размеров и параметров.
- Материалы. Чтобы механизм раздвижных ворот проработал долгое время, без ремонтных работ, весь материал из которого они изготовлены, должен быть только высокого качества.
- Автоматизация. Чтобы конструкция хорошо закрывалась и открывалась, установку электрического привода должен выполнять специалист.
Внимание, только СЕГОДНЯ!
Загрузка…landshaftnik.com
Раздвижные ворота своими руками: как изготовить и установить
Оглавление:
Раздвижные ворота своими руками: как сделать створку
Металлические раздвижные ворота: изготовление несущей конструкции
Монтаж раздвижных ворот: автоматизация
Изготовить раздвижные ворота своими руками не очень сложно. Основная загвоздка во всей этой истории заключается в умении пользоваться сварочным аппаратом. Не умея соединять металлы сваркой или по крайней мере не заручившись поддержкой человека, освоившего эту науку, за такую работу лучше не браться. Ну а в остальном, если вы умеете пользоваться болгаркой и измерительным инструментом, сложностей не возникнет. В этой статье вместе с сайтом stroisovety.org мы поможем вам в вопросе изготовления раздвижных ворот, предоставив необходимые теоретические знания в виде последовательности их изготовления и тонкостей выполнения работ.

Как сделать раздвижные ворота своими руками
Раздвижные ворота своими руками: как сделать створку
Отодвигаемая створка ворот является самой простой частью всей раздвижной системы – как и говорилось выше, умея обращаться со сварочным аппаратом, изготовить ее не составит никакого труда. Для этого понадобится металлический уголок, а лучше профильная труба. На первом этапе работ по изготовлению самодельных раздвижных ворот нужно будет сварить прямоугольную рамку соответствующего размера.
Как правило, стандартным считается высота от 1,8 до 2м, а ширина – от 2,5 до 3м. В середине этот прямоугольник усиливается поперечными горизонтальными перемычками. Когда рама будет готова, сверху нее привариваются специальные кронштейны с роликами, а сама конструкция обшивается профнастилом или каким-либо другим материалом (например, деревом). С запчастями проблем не будет – и ролики для раздвижных ворот, и кронштейны, и прочую фурнитуру можно без труда приобрести в строительном гипермаркете. Скажу больше, можно даже приобрести полный механизм раздвижных ворот, включая направляющие и привод для их автоматизации.

Раздвижные ворота своими руками фото
В процессе изготовления створки ворот имеется несколько нюансов.
- Существует одно золотое правило сборки металлоконструкций – полностью обваривать стыки нужно только после окончательной сборки конструкции. Дело в том, что металл в процессе соединения ведет от температуры. Размеры могут сдвигаться, даже саму конструкцию может выкрутить, как говорится, наизнанку. В обязательном порядке после того, как будет собран прямоугольник (без внутренних перемычек), нужно проверить его диагонали – если они равны друг другу, то можно вставлять и прихватывать перемычки. Если нет, тогда прямоугольник нужно немного рихтовать. Полноценно обваривать всю конструкцию можно только после того, как она будет собрана на прихватках.
- Обшивать ворота лучше с двух сторон, чтобы они гармонично смотрелись и спереди и сзади.
Таким способом можно изготовить откатные раздвижные ворота двух типов – они могут состоять из одной части, откатывающейся в одну сторону, или из двух, разъезжающихся в обе стороны. В принципе, дешевле изготовить одну дверную створку – на нее и материала пойдет немного меньше, и если вы вдруг захотите их автоматизировать, то понадобится только один привод.

Механизм раздвижных ворот фото
Металлические раздвижные ворота: изготовление несущей конструкции
Наиболее правильным подходом к изготовлению раздвижных ворот станет подвешенная конструкция – дело в том, что зачастую основание у въезда во двор достаточно неровное. Поэтому легче установить верхнюю направляющую и повесить на нее створку ворот, чем устанавливать нижнюю рельсу, которую может изогнуть уже спустя одну зиму от вспучивания почвы.
Исходя из этого технология изготовления раздвижных ворот, а вернее их несущей части, выглядит следующим образом.
- Для начала опоры. Здесь можно использовать практически любой материал – все зависит от самого забора. Если он кирпичный, то ворота можно навесить между двумя кирпичными столбиками, если металлический или из профнастила, то на крайние металлические столбики. В общем, первый этап работ – это изготовление опор.
- На втором этапе решения вопроса, как сделать раздвижные ворота, устанавливается направляющая. Здесь все просто – она либо наваривается на металлические опоры забора, либо крепится с помощью кронштейнов на кирпичные столбики. Очень важным моментом является высота и уровень установки направляющей – с уровнем горизонта все более или менее понятно, а вот высоту придется определить исходя из высоты ваших ворот вместе с роликами. Также нужно учесть небольшой зазор над грунтом или бетонным въездом в дом.

Самодельные раздвижные ворота фото
Теперь дело за малым – несущая конструкция раздвижных ворот готова, и на нее можно навешивать саму створку. Эту работу придется выполнять вдвоем, а лучше втроем. Ролики и направляющую нужно будет хорошенько смазать, а чтобы ворота не катились дальше, чем это требуется, установить ограничители – для этого там, где катаются ролики, просто прикручиваются резиновые подушки.

Как изготовить ворота металлические раздвижные
Монтаж раздвижных ворот: автоматизация
Современные автоматические раздвижные ворота предусматривают установку специального механизма, состоящего из двух основных частей: зубчатой рейки и привода с дистанционным управлением. Устанавливается он достаточно просто. Для начала по нижнему краю ворот с помощью мощных саморезов крепится зубчатая рейка – как правило, зубами вниз, чтобы они меньше страдали от атмосферных осадков. Вторая часть механизма привод монтируется на заранее приготовленное основание – в большинстве случаев для привода отливается небольшая бетонная площадка, к которой посредством анкерных винтов крепится жесткая металлическая рама. На эту раму и устанавливается привод. Высоту металлической рамы нужно будет рассчитать исходя из местоположения зубчатой рейки – шестерня привода должна четко входить в зацепление с ней.

Раздвижные ворота автоматические фото
Естественно, нужно будет позаботиться и о подаче электроэнергии к приводу – этот нюанс нужно предусмотреть заранее. Кабель прокладывается под землей в металлической гофре и выводится на поверхность в центре бетонного основания для привода. Как правило, для подключения двигателя раздвижных ворот используется кабель сечением не менее чем 2,5 квадрата. И не забудьте про заземление!
Ну и последнее, о чем необходимо позаботиться в процессе установки раздвижных ворот, – это о датчике дистанционного управления. Самое подходящее для него место – это верх одного из столбиков. Тут придется немного поэкспериментировать и добиться такого его положения, чтобы он реагировал на сигналы пульта управления как с одной стороны ворот, так и с другой.

Монтаж раздвижных ворот своими руками
Вот так делаются раздвижные ворота своими руками. Следует понимать, что вариантов их изготовления может быть масса – ворота можно сделать не только из профнастила, но и из металла, дерева, поликарбоната. Отлично смотрятся так называемые комбинированные ворота, изготовленные из нескольких различных материалов. Ну а что касается автоматизации, то здесь можно упомянуть и про цепной привод – он, конечно, хуже показал себя в эксплуатации, но, тем не менее, его достаточно часто используют для управления воротами.
Автор статьи Александр Куликов
stroisovety.org
установка и монтаж самодельных ворот
Финальным этапом установки дачной ограды является монтаж калитки и въезда. Существует два основных типа ворот – распашные, состоящие из двух створок, и сдвижные (откатные, раздвижные), которые вручную или с помощью автоматики сдвигаются вдоль забора. Второй тип считают оптимальным, так как он экономит место и не создает дополнительных помех при открывании. Рассмотрим, как можно сделать сдвижные ворота своими руками, чтобы убедиться, что их конструкция достаточно проста, а монтаж не занимает много времени.
Для того чтобы ворота двигались плавно и без усилий, необходимо продумать установку фундамента и каждый шаг монтажа основной конструкцию. Не нужно пренебрегать устройством фундамента: на нем держится движущийся элемент и крепится роликовый механизм. Направляющая балка, по которой двигаются ролики, фиксируется на двух стабильных опорах. Чтобы исключить малейший сбой полотна, используют сварку. Подставки-тележки роликами вставляются в балку, а верхней частью закрепляются на нижней части ворот. В результате ворота легко сдвигаются по направляющей в одну из сторон. Сейчас на рынке можно найти устройства автоматического открывания с пультом управления, поэтому при желании весь механизм можно модернизировать и сделать дистанционно управляемым.

Схема сдвижных ворот: 1 – направляющая; 2 – роликовый механизм; 3 – съемный ролик; 4-5 – два ловителя; 6 – верхний фиксирующий кронштейн; 7 – платформа регулировки
Перед началом работ по устройству фундамента необходимо подготовить проем для ворот – место, на котором планируется расположить самодельные сдвижные ворота. Чем уже проем, тем меньше понадобится материала для устройства движущегося полотна. Большое значение имеет и вес конструкции, так как для установки тяжелых металлических ворот потребуется более прочный крепеж, чем, предположим, для полотна из резного дерева.

Сдвижные ворота могут откатываться как в левую сторону, так и в правую. Выбор стороны зависит от наличия свободного места вдоль конструкции
Как правило, к моменту обустройства ворот ограда уже установлена, а значит, готовы пограничные элементы – металлические трубы, кирпичные или деревянные столбы. Гарантом надежности ворот и опор будут служить закладные детали, расположение которых можно рассмотреть на прилагаемой ниже схеме. Закладными называют плоские металлические отрезки, закрепленные вдоль опорных столбов и усиленные арматурными прутьями. Дополнительные элементы арматуры фиксируются в грунте и придают конструкции необходимую стабильность.
Заливка бетонного основания
Первый этап – устройство ямы под фундамент. Ее размеры зависят от ширины проема и глубины промерзания почвы. В средней полосе России грунт промерзает примерно на полтора метра, поэтому глубина ямы составит 170-180 см, ширина – 50 см, а длина – 2 м при условии, что проем равен 4 м.
В яму необходимо установить закладную деталь. Для ее изготовления необходим швеллер длиной 2 м и шириной 15-16 см, а также прутья арматуры любого диаметра. Длина прутьев равна полутора метрам – именно на такую глубину они погрузятся в яму. Арматуру следует прикрепить к швеллеру с помощью сварки. Зафиксировав продольные прутья, скрепляем их между собой поперечными перекладинами так, чтобы получилась прочная решетка.

Для установки элементов автоматики необходимо подготовить место для труб, а в центре металлической площадки оборудовать отверстие, в которое выводится кабель электропривода
Готовую металлическую конструкцию помещаем в яму так, чтобы швеллер располагался вдоль линии движения ворот. Один его конец должен тесно примыкать к опорному столбу. Строго горизонтально расположить балку поможет строительный уровень.

Конструкция закладной устанавливается со стороны, в которую будет отъезжать полотно ворот. При монтаже следует обратить внимание на точность расположения всех элементов
Одновременно с закладкой металлического элемента прокладываем электрические кабеля для устройства автоматической системы. Для защиты электрики подойдут трубы диаметром 25-30 мм. Вместо металлических изделий можно использовать аналоги из пластика или гофры. Особое внимание следует обратить на герметичность труб и соединений.

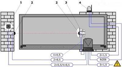
Система автоматического открывания ворот: 1 – кнопка включения; 2 – встроенные фотоэлементы; 3 – электрический привод; 4 – сигнальный фонарь с антенной
Завершающий этап – заливка ямы с установленной закладной. Для заливки используем раствор, приготовленный из бетонной смеси М200 или М250. Поверхность закладной – швеллер – должен оставаться полностью открытым. На созревание бетона отводится 1-2 недели.
Обработка полотна ворот
Перед установкой сдвижных ворот их необходимо собрать из комплектующих, количество которых зависит от трех показателей:
- размеров полотна;
- ширины проема;
- общего веса конструкции.
Основной вес ворот падает на направляющую, поэтому следует серьезно отнестись к ее выбору. Специалисты рекомендуют использовать продукцию компании Ролтэк из Санкт-Петербурга. Рассмотрим несколько вариантов оборудования:
- Микро – для конструкции из профлиста весом до 350 кг;
- Эко – для деревянных и кованых ворот весом до 500 кг и проемом не более 5 м;
- Евро – для полотна весом 800 кг, ширина проема – до 7 м;
- Макс – для конструкций весом до 2000 кг и шириной проема до 12 м.
Рама движущейся части состоит из профильной трубы 40х60 мм с толщиной стенки 2 мм, для обрешетки берем более тонкие трубы, диаметром до 20 мм. Чем тоньше профильные трубы, тем меньше вес конструкции. Для наглядности – несколько чертежей сдвижных ворот.
Рама для ворот может выглядеть по-разному, в зависимости от размеров проема, высоты и используемых комплектующих. На схеме – образец рамы для 4-метрового проема

После сварки раму необходимо защитить от влажности: для этого ее сначала грунтуют средством по металлу, затем наносят краску для внешних отделочных работ
Непосредственно монтаж полотна
Работы по монтажу сдвижных ворот следует начинать только после того, как окончательно застыл бетон. Для соблюдения горизонтали движения полотна натягиваем шнур на высоте 15-20 см от поверхности закладной. Затем переходим к установке роликового механизма. Опоры необходимо расставить как можно шире, желательно на всю ширину полотна. Расстояние от крайней опоры до столба – 25 см (небольшой запас оставлен для концевого ролика). Немного сложнее рассчитать расстояние до второй роликовой опоры. Обычно пользуются специальными формулами, но можно обойтись и без них. Примерная схема с размерами показана на следующем рисунке.

При монтаже роликового механизма и площадок следует обязательно предусмотреть все технологические отступы, без которых правильное движение полотна ворот невозможно
Для страховки от неправильной установки используем подставки для регулировки. Их необходимо установить на швеллер и закрепить сваркой. Затем следует закатить полотно ворот и сделать финальную регулировку строго горизонтального положения конструкции. Для этого снимаем ворота и роликовые опоры, а площадки для регулировки привариваем к закладной. Затем на площадках закрепляем роликовые опоры, возвращаем на них полотно и полностью закрываем ворота. С помощью уровня и регулировки проверяем горизонталь конструкции.
Отрегулировав все детали механизма, устанавливаем концевой ролик. Для этого его необходимо вставить в несущий профиль и зафиксировать при помощи крепежных болтов. Для уверенности можно использовать сварку, закрепив крышку ролика на профиле. Ролик играет роль концевого упора, поэтому одного болтового соединения будет недостаточно. Также устанавливаем и заглушку профиля, чтобы защитить его паз от попадания снега и мусора.

Комплект роликов для сдвижной конструкции ворот можно приобрести в строительном супермаркете. Он включает в себя элементы роликового механизма, заглушку, кронштейн
Одна из важных деталей, которую устанавливаем вслед за роликом, – верхний кронштейн. Он защищает механизм ворот от боковых движений. Кронштейн закрепляем на верхней части полотна, повернув отверстия для болтов в сторону опоры. Затем фиксируем его на опорном столбе и проверяем регулировку.
Следующий этап – обшивка полотна профлистом или вагонкой. Любой материал начинаем крепить о передней части ворот. Отдельные листы или доски прикладываются к обрешетке и фиксируются саморезами или клепанием. Каждый второй элемент профлиста накладывается на предыдущий на одну волну. Последний лист может не поместиться, тогда его следует обрезать.

Хозяева, для которых важен престиж, не скупятся на внешнее оформление ворот. Одним из наиболее дорогих способов декорирования является художественная ковка
В последнюю очередь устанавливаются два уловителя – верхний и нижний. Нижний помогает облегчить нагрузку на роликовые опоры. Его монтируем при закрытых воротах. Верхний фиксируем напротив защитных уголков полотна, чтобы при закрытых воротах они соприкасались друг с другом.

Недорогие деревянные ворота из вагонки можно облагородить при помощи дополнительного оформления, например, украсить полотно петлями или окантовкой из металла
Автоматику оставляем напоследок. Вместе с приводом для сдвижных ворот приобретаем зубчатую рейку, которая служит для движения полотна. Обычно она входит в комплект крепежа и продается элементами длиной 1 м.
Установив окончательно конструкцию ворот, поверяем работу роликового механизма: своевременное исправление мелких недостатков оградит от последующего сложного ремонта.
diz-cafe.com
Самодельные откатные ворота своими руками: эскизы и схемы
Компания «Русская Ограда». Мы занимаемся установкой заборов, ворот (в том числе автоматических), установкой столбов и линий ЛЭП по всей Москве и Московской области. Звоните: +7 (495) 762-97-99 c 09:00 до 21:00 ежедневно.
В настоящее время самой удачной конструкцией для закрывания проезда во двор считаются откатные консольные ворота. Ворота с откатным полотном не имеют направляющих в своём проёме. Это создаёт возможность проезда транспорту практически любой высоты. Практически любой владелец дачи сможет сделать самодельные откатные ворота своими руками.

Обычные откатные ворота
Главный недостаток откатных ворот, который чаще всего предъявляют покупатели, относится не к конструкции этого сооружения, а к материальным затратам, сравнивая их с распашными воротами. Однако, если вам непременно нужна откатная конструкция, то вам помогут сэкономить на их установке ваши умелые руки и ваши знания.
Современные системы задвижных ворот в основном имеют консольный тип.
Порядок работ по строительству задвигающихся ворот

Основные составляющие портала
Для того, чтобы избежать ошибок и пропусков чего-то важного, при сооружении ворот следует составить чертеж и перечень выполнения работ в нужном порядке по монтажу откатных ворот. Всё начинается с того, что проверяют соответствие подготовленного проема в ограждении необходимыми размерами для установки задуманного сооружения.

План расположения консольных ворот
Снятие размеров и разметка
Замеряют длину забора в той стороне, куда будет задвигаться полотно ворот в открытом положении. После этого размечают место для бетонного основания. Основание устраивается вдоль забора от границы проема в сторону перемещения полотна ворот, откладывают расстояние, обычно равное половине длинны полотна ворот. Ямы обычно ориентируются на 400-500 мм в глубину двора от забора. На другой стороне проезда во двор размечают яму под установку столба-опоры так, чтобы столб не служил помехой проезду и не сужал проем.
Важно помнить о том, что яму следует выкапывать на 200 мм глубже, чем слой промерзания грунта в вашем регионе.
Подготовка швеллера к бетонированию

Швеллер
Затем к швеллеру приваривают отрезки заготовленной арматуры таким образом, чтобы получилось два ряда «грабель». Потом всё это укрепляют поперечными рядами арматуры. Получившуюся конструкцию размещают в яме вниз арматурой. Причем швеллер должен быть установлен параллельно ограждению и строго горизонтально, и своим боком обязательно примыкать к стояку ограждения.
Имейте в виду, что высота расположения закладной конструкции в дальнейшем повлияет на величину зазора между дорогой и нижним краем ворот. Устанавливая самодельные откатные ворота, очень важно создать как можно точнее горизонтальное положение поверхности фундамента, это крайне важно, иначе может произойти перекос полотна ворот, и исправление этой ошибки потребует много труда и затрат.
Изготовление каркаса и его обшивка
В яму заливают бетон таким образом, чтобы раствор не покрывал поверхность швеллера. После заливки не менее 6 суток ожидают, пока бетон полностью не застынет. В этот период времени производят нарезку заготовок для каркаса и сварку рамы полотна из профильных труб или уголка.
После завершения этой работы, все сварочные швы зачищают абразивными материалами и наносят антикоррозийное покрытие согласно прилагаемой инструкции. Эту подготовленную основу обшивают профнастилом или другим выбранным вами материалом. К низу каркаса полотна приваривают рельсу, которая будет служить направляющим профилем. Направляющая рельса завершается концевым роликом.
Завершающим этапом работы является установка откатного устройства на роликовые платформы. Производят это только после окончательного высыхания бетона. Роликовые каретки катаются внутри направляющего рельса, приваренного к нижнему обрамлению ворот, это оберегает каретки от снега, грязи и дождя. Такое их расположение существенно увеличивает срок эксплуатации вашего труда.

Корректирующая движение скоба
Обратите внимание! Механизмы в этом случае лучше не смазывать, так как к смазанным участкам механизма будут прилипать грязь и песок, что только станет помехой движению ворот.

Нижний улавливатель движущегося полотна
К воротным стоякам конструкции прикрепляют (на фото выше):
- Поддерживающую планку;
- Корректирующую планку;
- Улавливатели.
Для собственного комфорта, особенно в дождливую погоду, можно установить самостоятельно и автоматику. Это даст вам возможность закрывать и открывать ворота дистанционно, то есть управлять движением запирающего полотна не покидая кабины или дома, что особенно почти необходимо в холодные сезоны года.
Ворота, сделанные собственными руками, по цене будут существенно дешевле, чем выпущенные заводами-изготовителями, и, к тому же, вам представится возможность воплотить в жизнь ваши самые смелые задумки, превратить обычные подъездные ворота в чудо рационализаторской мысли.
В предлагаемом видео рассказывается в доступной форме о разных видах задвигающихся ворот и возникающих нагрузках при возведении этих сооружений и их роботе.
Виды откатных ворот, советы по монтажу
rusograda.ru

Функциональные и компактные.
Одностворчатые. Подобный тип не пользуется большой популярностью. Выглядят они как одно цельное полотно. Для долгого и качественного эксплуатирования столбы в таких конструкциях нужно тщательно укреплять, и это, само собой, будет много стоить. В случае установки одностворчатых ворот для гаража нужно вмонтировать металлическую раму с укреплёнными петлями.
1. Подвесные сдвижные ворота состоят из балки, которая установлена на стоящие столбы с обеих сторон ворот. По строению конструкция похожа на букву «П». Края загнуты внутрь. Панель висит на расположенных внутри роликах, по которым она перемещается. Такую сдвижную конструкцию не каждый устанавливает на своем участке, из-за балки, которая не позволяет проехать большому транспортному средству.
3. Для откатных ворот на рельсах в землю устанавливается рельс, а к нижней части панели ворот прикрепляют ролики. Эта самая легкая и простая конструкция. Панель передвигается по направляющей. Их недостаток в том, что ролики с рельсами постоянно придется очищать от листьев, снега и прочей грязи. Но в такой конструкции есть много плюсов: обладая компактностью, во время открытия панель ворот занимает не больше места проема. Конструкция изготовляется из мощного каркаса и прочной обшивки, что позволяет противостоять сильным ударам. Створка не провисает, поэтому подходит для установки в проемах до 6 метров.